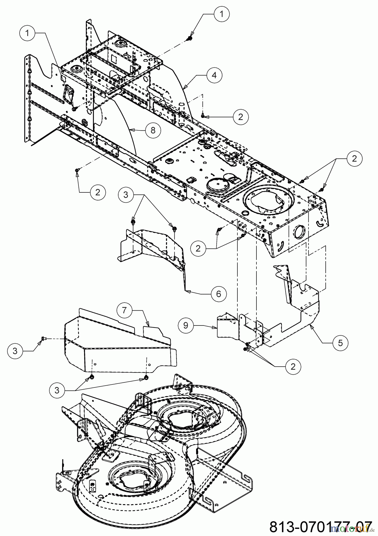
MTD Smart RE 130 H 13AB71SE600 (2023) Abdeckungen Mähwerk E (36"/92cm) Ersatzteile
Abdeckungen Mähwerk E (36"/92cm) 13AB71SE600 (2023)

Hier finden Sie die Ersatzteilzeichnung für MTD Rasentraktoren Smart RE 130 H 13AB71SE600 (2023) Abdeckungen Mähwerk E (36"/92cm). Wählen Sie das benötigte Ersatzteil aus der Ersatzteilliste Ihres MTD Gerätes aus und bestellen Sie einfach online. Viele MTD Ersatzteile halten wir ständig in unserem Lager für Sie bereit.







