Wolf-Garten VA 346 E 16CFEHOA650 (2023) Ersatzteile
16CFEHOA650 (2023) VA 346 E

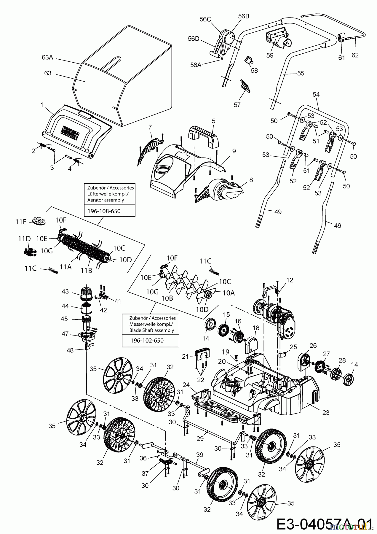
Hier finden Sie die Ersatzteilzeichnung für Wolf-Garten Elektrovertikutierer VA 346 E 16CFEHOA650 (2023) Grundgerät. Wählen Sie das benötigte Ersatzteil aus der Ersatzteilliste Ihres Wolf-Garten Gerätes aus und bestellen Sie einfach online. Viele Wolf-Garten Ersatzteile halten wir ständig in unserem Lager für Sie bereit.


Qualitätsmanagement
Informieren Sie uns, wenn Sie einen Fehler gefunden haben.










