Cub Cadet XR1 500 22AXGALD603 H (2020) Kabel Mähmotor, Kabel Kommunikationsübertragung, Schaltplan Ersatzteile
Kabel Mähmotor, Kabel Kommunikationsübertragung, Schaltplan 22AXGALD603 H (2020)

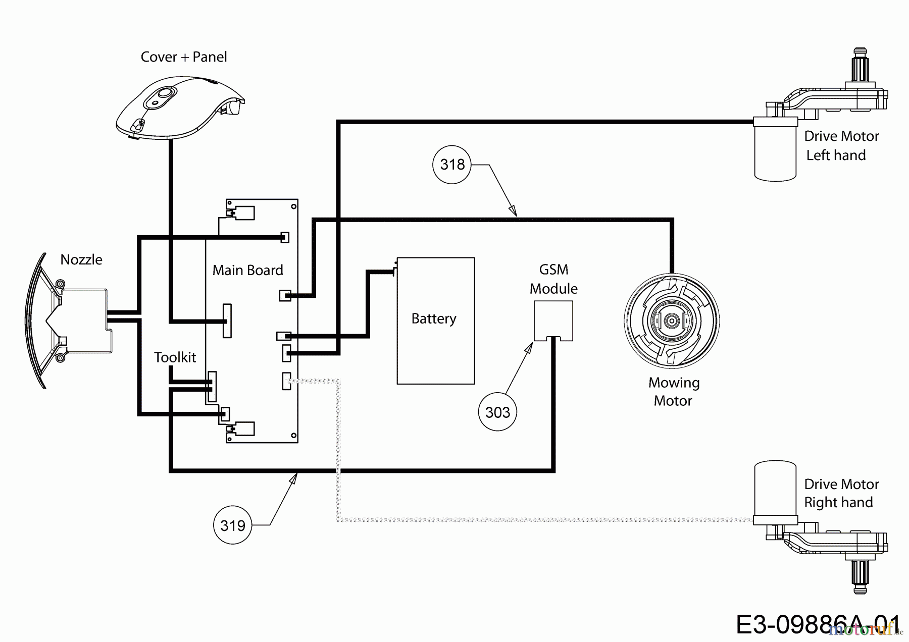
Hier finden Sie die Ersatzteilzeichnung für Cub Cadet Mähroboter XR1 500 22AXGALD603 H (2020) Kabel Mähmotor, Kabel Kommunikationsübertragung, Schaltplan. Wählen Sie das benötigte Ersatzteil aus der Ersatzteilliste Ihres Cub Cadet Gerätes aus und bestellen Sie einfach online. Viele Cub Cadet Ersatzteile halten wir ständig in unserem Lager für Sie bereit.
| BildNr | Artikel Nummer | Bezeichnung | |
| 303 | ESB7010D3 | KOMMUNIKATIONSMODUL (RCM) | |
| 318 | WSB9001D | KABELBAUM MÄHMOTOR | |
| 319 | WSB9006B | ÜBERTRAGUNGSKABEL RX | |


Qualitätsmanagement
Informieren Sie uns, wenn Sie einen Fehler gefunden haben.

