Cub Cadet XZ5 L137 17AIEACI603 (2020) Mähwerk Ersatzteile
Mähwerk 17AIEACI603 (2020)

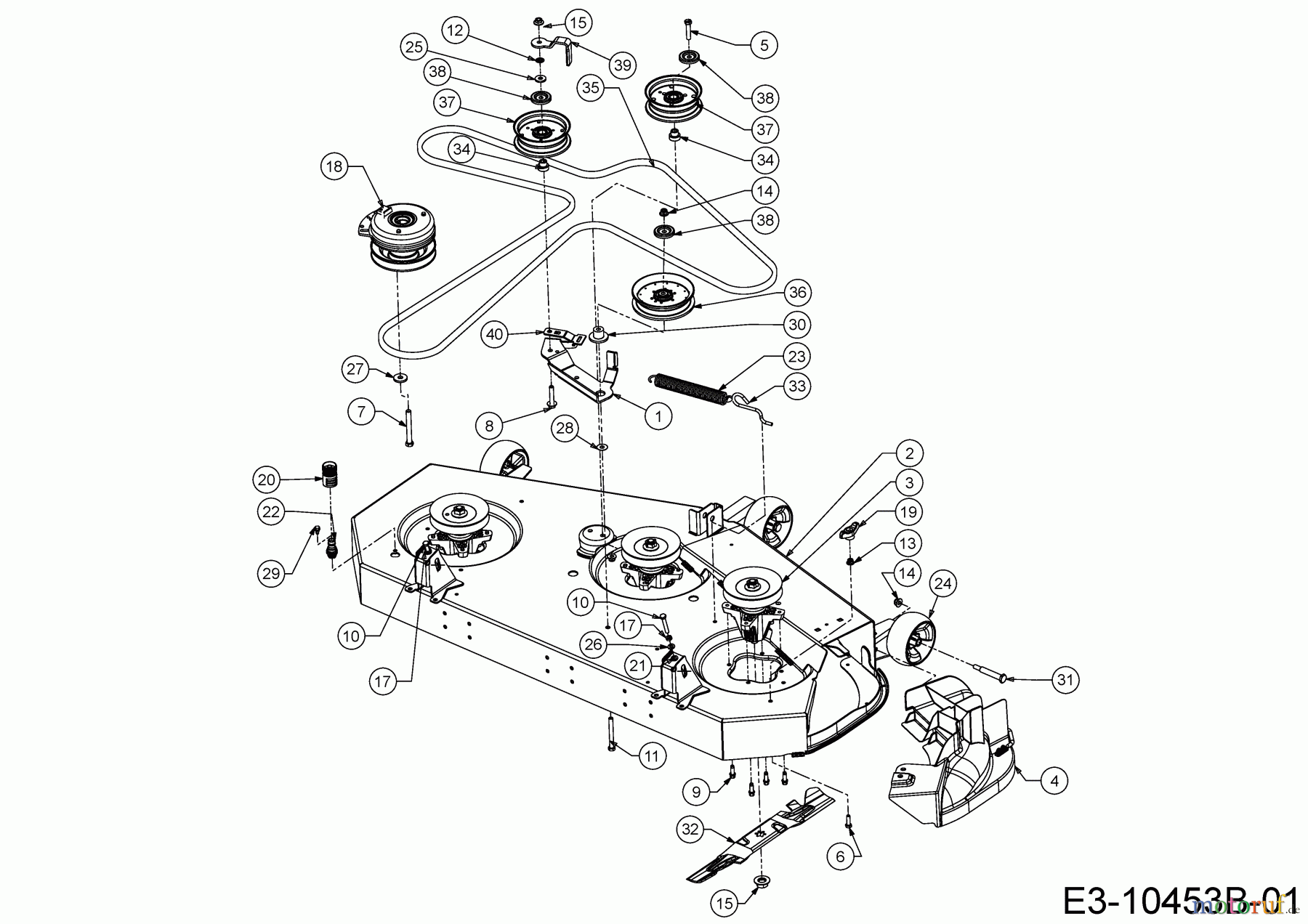
Hier finden Sie die Ersatzteilzeichnung für Cub Cadet Zero Turn XZ5 L137 17AIEACI603 (2020) Mähwerk. Wählen Sie das benötigte Ersatzteil aus der Ersatzteilliste Ihres Cub Cadet Gerätes aus und bestellen Sie einfach online. Viele Cub Cadet Ersatzteile halten wir ständig in unserem Lager für Sie bereit.
Häufig benötigte Cub Cadet XZ5 L137 17AIEACI603 (2020) Mähwerk Ersatzteile

Artikelnummer: 742-05056-X
Suche nach: 742-05056-X
Hersteller: MTD
Cub Cadet Ersatzteil Mähwerk
Suche nach: 742-05056-X
Hersteller: MTD
Cub Cadet Ersatzteil Mähwerk
41.70 €
für EU incl. MwSt., zzgl. Versand


Qualitätsmanagement
Informieren Sie uns, wenn Sie einen Fehler gefunden haben.





















