Cub Cadet XZ2 127 17BICBYQ603 (2020) Keilriemenführung Motor Ersatzteile
Keilriemenführung Motor 17BICBYQ603 (2020)

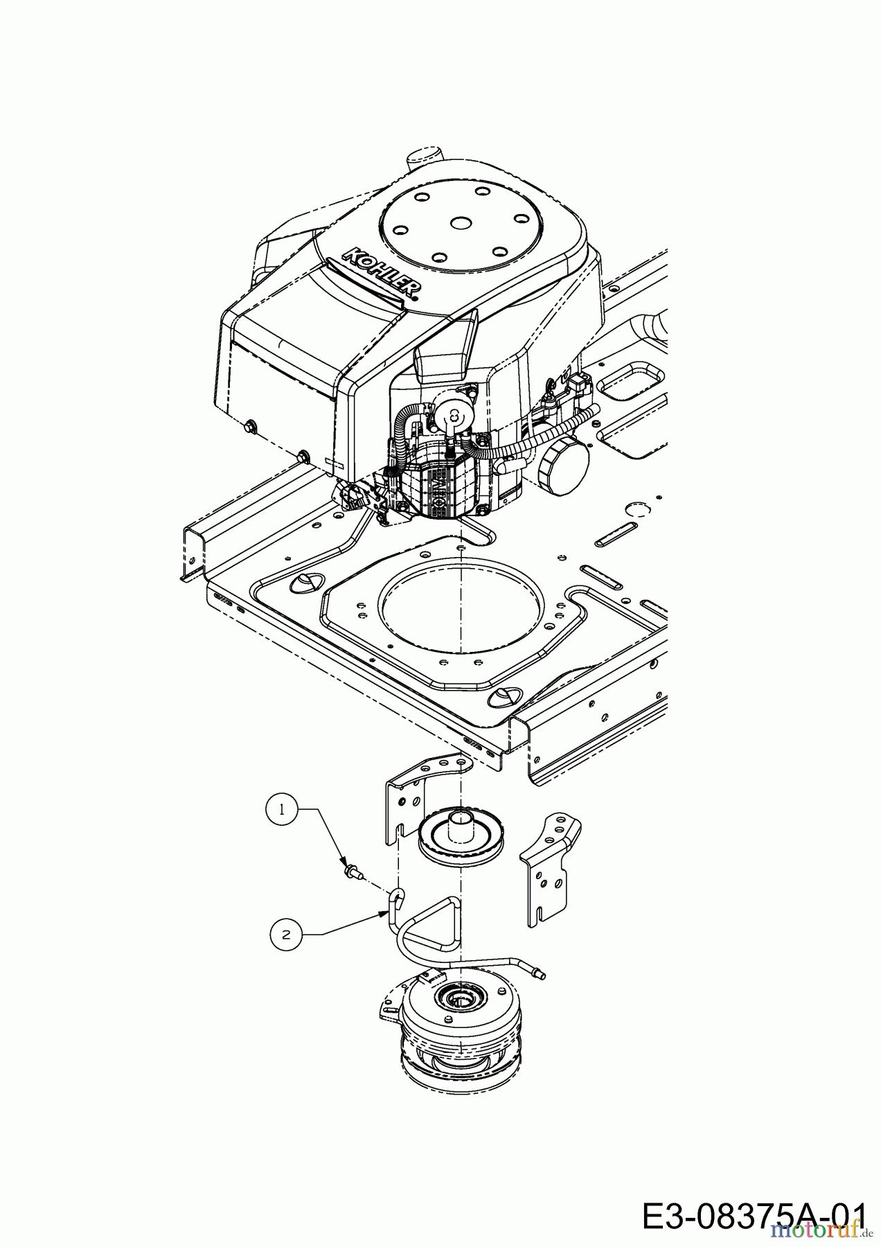
Hier finden Sie die Ersatzteilzeichnung für Cub Cadet Zero Turn XZ2 127 17BICBYQ603 (2020) Keilriemenführung Motor. Wählen Sie das benötigte Ersatzteil aus der Ersatzteilliste Ihres Cub Cadet Gerätes aus und bestellen Sie einfach online. Viele Cub Cadet Ersatzteile halten wir ständig in unserem Lager für Sie bereit.
| BildNr | Artikel Nummer | Bezeichnung | |
| 1 | ![]() | 710-04484 | 6KT-SCHRAUBE:TT:5/16-9:0.75 |
| 2 | 747-06044 | KEILRIEMENFÜHRUNG | |


Qualitätsmanagement
Informieren Sie uns, wenn Sie einen Fehler gefunden haben.


