Cub Cadet XM3 ER53 12AQZBK2603 (2019) Abdeckungen Ersatzteile
Abdeckungen 12AQZBK2603 (2019)

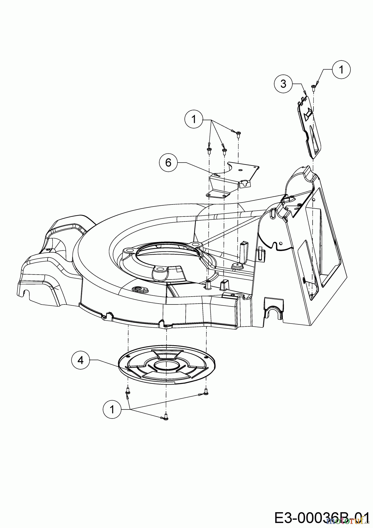
Hier finden Sie die Ersatzteilzeichnung für Cub Cadet Motormäher mit Antrieb XM3 ER53 12AQZBK2603 (2019) Abdeckungen. Wählen Sie das benötigte Ersatzteil aus der Ersatzteilliste Ihres Cub Cadet Gerätes aus und bestellen Sie einfach online. Viele Cub Cadet Ersatzteile halten wir ständig in unserem Lager für Sie bereit.
| BildNr | Artikel Nummer | Bezeichnung | |
| 1 | 710-06550 | HALB-RD-SCHR:TORX:M6x12-10.9 | |
| 3 | 731-12565 | GERTRIEBEABDECKUNG | |
| 4 | 731-12759 | ABDECKUNG:MESSERNABE | |
| 6 | 787-03792 | ABDECKUNG:VARIATOR:DM 53cm | |


Qualitätsmanagement
Informieren Sie uns, wenn Sie einen Fehler gefunden haben.

