Cub Cadet XM2 ER53E 12ARZA9A603 (2020) Stoßdämpfer, Zwischenring Motor Ersatzteile
Stoßdämpfer, Zwischenring Motor 12ARZA9A603 (2020)

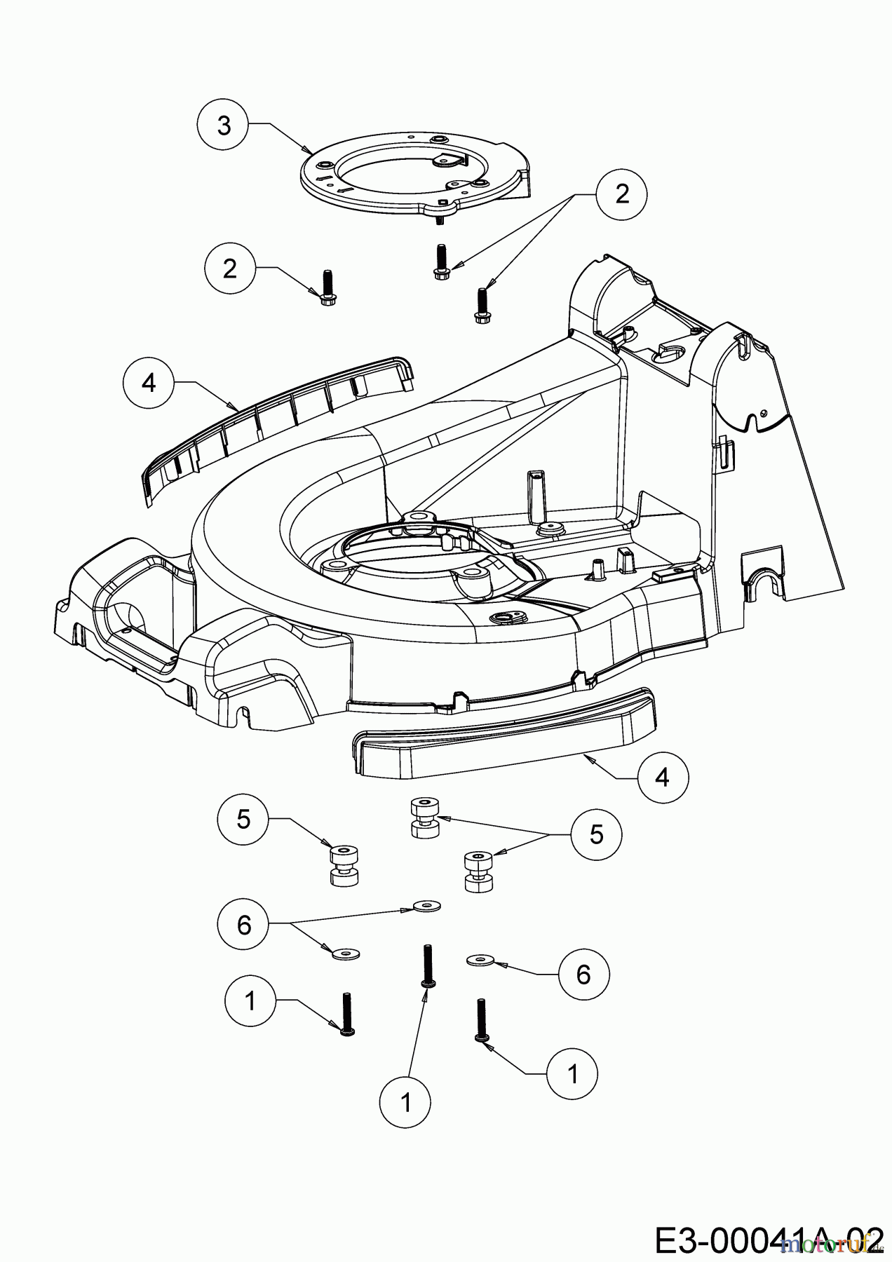
Hier finden Sie die Ersatzteilzeichnung für Cub Cadet Motormäher mit Antrieb XM2 ER53E 12ARZA9A603 (2020) Stoßdämpfer, Zwischenring Motor. Wählen Sie das benötigte Ersatzteil aus der Ersatzteilliste Ihres Cub Cadet Gerätes aus und bestellen Sie einfach online. Viele Cub Cadet Ersatzteile halten wir ständig in unserem Lager für Sie bereit.


Qualitätsmanagement
Informieren Sie uns, wenn Sie einen Fehler gefunden haben.


