Cub Cadet XM2 DR46S 12ABYADQ603 (2019) Getriebe, Keilriemen, Variator Ersatzteile
Getriebe, Keilriemen, Variator 12ABYADQ603 (2019)

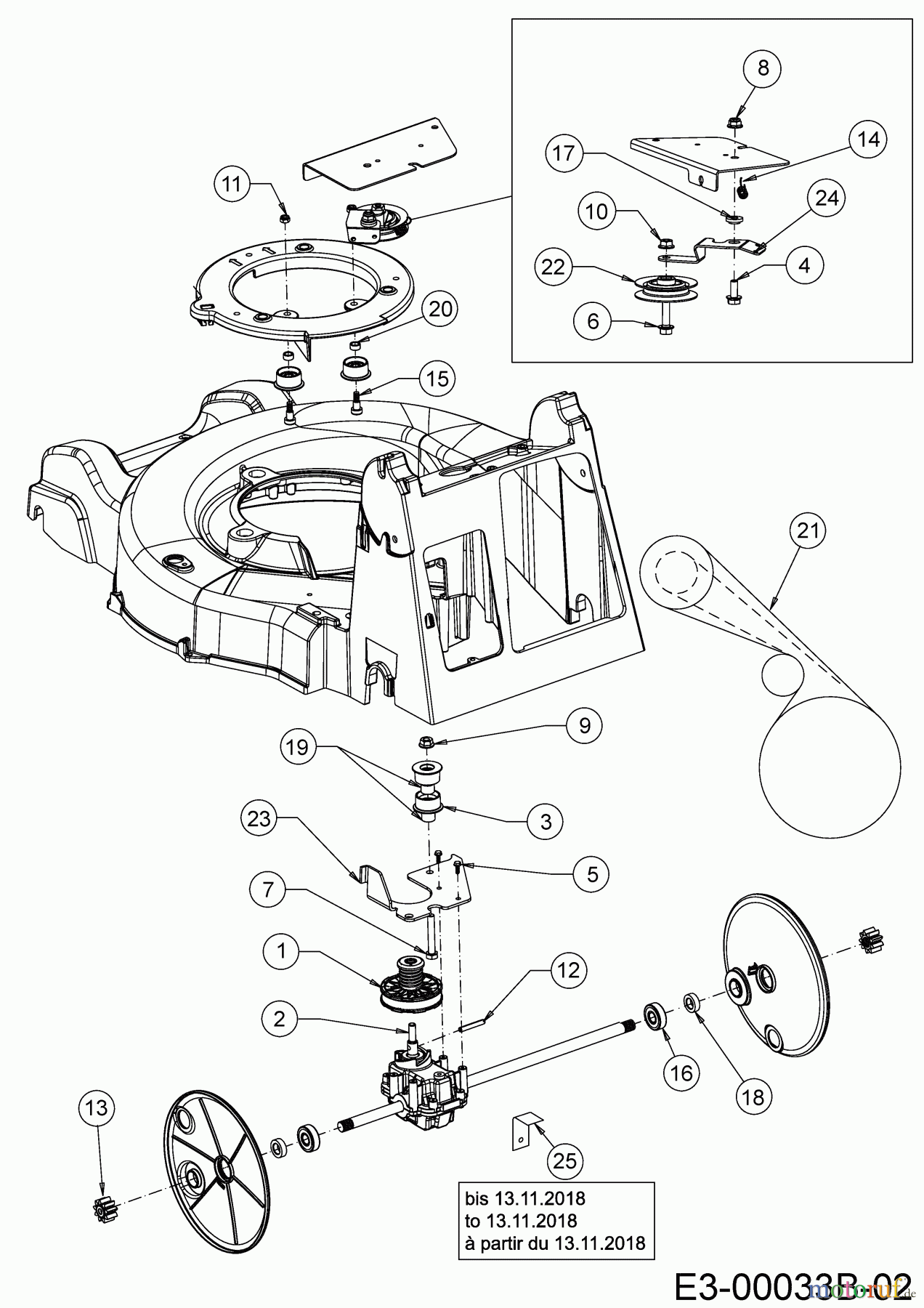
Hier finden Sie die Ersatzteilzeichnung für Cub Cadet Motormäher mit Antrieb XM2 DR46S 12ABYADQ603 (2019) Getriebe, Keilriemen, Variator. Wählen Sie das benötigte Ersatzteil aus der Ersatzteilliste Ihres Cub Cadet Gerätes aus und bestellen Sie einfach online. Viele Cub Cadet Ersatzteile halten wir ständig in unserem Lager für Sie bereit.


Qualitätsmanagement
 Informieren Sie uns, wenn Sie einen Fehler gefunden haben.






