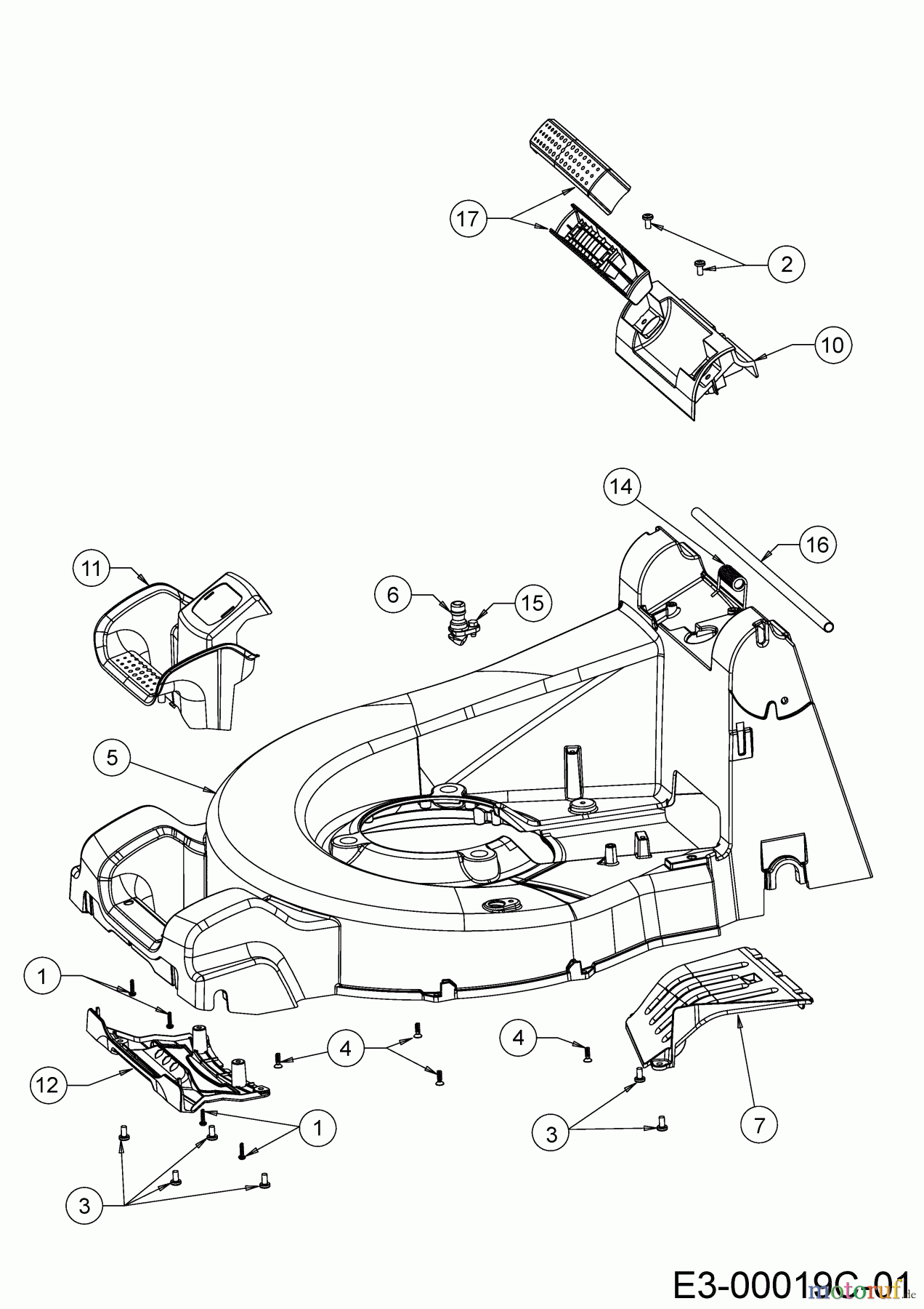
Cub Cadet XM1 ER53 12A-ZAJ4603 (2019) Leitstück hinten, Mähwerksgehäuse, Stange für Heckklappe, Seitenverkleidungen Ersatzteile
Leitstück hinten, Mähwerksgehäuse, Stange für Heckklappe, Seitenverkleidungen 12A-ZAJ4603 (2019)

Hier finden Sie die Ersatzteilzeichnung für Cub Cadet Motormäher mit Antrieb XM1 ER53 12A-ZAJ4603 (2019) Leitstück hinten, Mähwerksgehäuse, Stange für Heckklappe, Seitenverkleidungen. Wählen Sie das benötigte Ersatzteil aus der Ersatzteilliste Ihres Cub Cadet Gerätes aus und bestellen Sie einfach online. Viele Cub Cadet Ersatzteile halten wir ständig in unserem Lager für Sie bereit.


Qualitätsmanagement
Informieren Sie uns, wenn Sie einen Fehler gefunden haben.


