Cub Cadet LM2 DR53 12C-PRKC603 (2019) Ersatzteile
12C-PRKC603 (2019) LM2 DR53

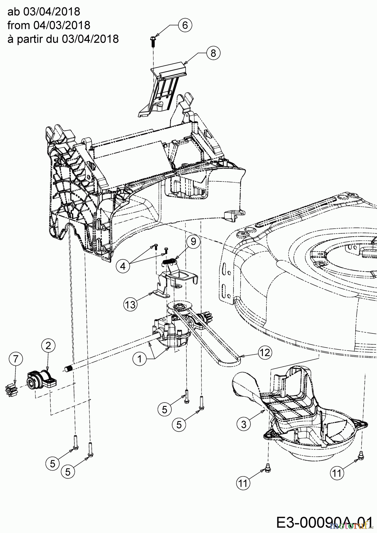
Hier finden Sie die Ersatzteilzeichnung für Cub Cadet Motormäher mit Antrieb LM2 DR53 12C-PRKC603 (2019) Getriebe, Keilriemen ab 03/04/2018. Wählen Sie das benötigte Ersatzteil aus der Ersatzteilliste Ihres Cub Cadet Gerätes aus und bestellen Sie einfach online. Viele Cub Cadet Ersatzteile halten wir ständig in unserem Lager für Sie bereit.











