Cub Cadet LM3 CRC46S 12ABTVSC603 (2019) Getriebe, Keilriemen bis 14.04.2019 Ersatzteile
Getriebe, Keilriemen bis 14.04.2019 12ABTVSC603 (2019)

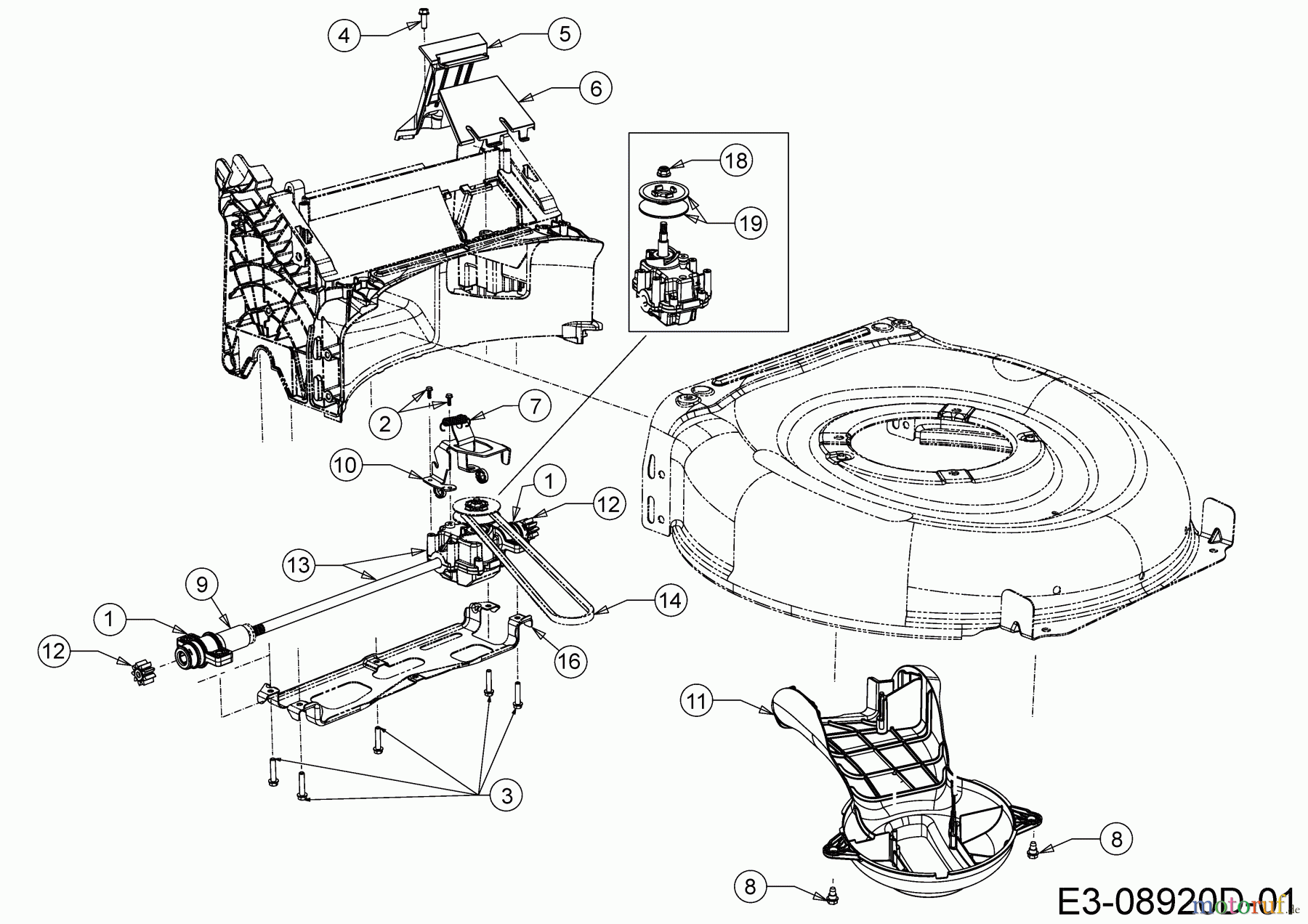
Hier finden Sie die Ersatzteilzeichnung für Cub Cadet Motormäher mit Antrieb LM3 CRC46S 12ABTVSC603 (2019) Getriebe, Keilriemen bis 14.04.2019. Wählen Sie das benötigte Ersatzteil aus der Ersatzteilliste Ihres Cub Cadet Gerätes aus und bestellen Sie einfach online. Viele Cub Cadet Ersatzteile halten wir ständig in unserem Lager für Sie bereit.


Qualitätsmanagement
Informieren Sie uns, wenn Sie einen Fehler gefunden haben.









