Cub Cadet LM2 DR53S 12BBPQKC603 (2019) Getriebe, Keilriemen bis 14.04.2019 Ersatzteile
Getriebe, Keilriemen bis 14.04.2019 12BBPQKC603 (2019)

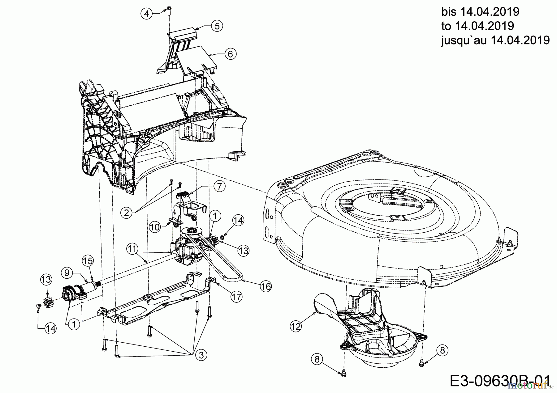
Hier finden Sie die Ersatzteilzeichnung für Cub Cadet Motormäher mit Antrieb LM2 DR53S 12BBPQKC603 (2019) Getriebe, Keilriemen bis 14.04.2019. Wählen Sie das benötigte Ersatzteil aus der Ersatzteilliste Ihres Cub Cadet Gerätes aus und bestellen Sie einfach online. Viele Cub Cadet Ersatzteile halten wir ständig in unserem Lager für Sie bereit.


Qualitätsmanagement
 Informieren Sie uns, wenn Sie einen Fehler gefunden haben.










