Cub Cadet XT3 QR106E 13CIA5CR603 (2020) Batteriekasten, Heckplatte Ersatzteile
Batteriekasten, Heckplatte 13CIA5CR603 (2020)

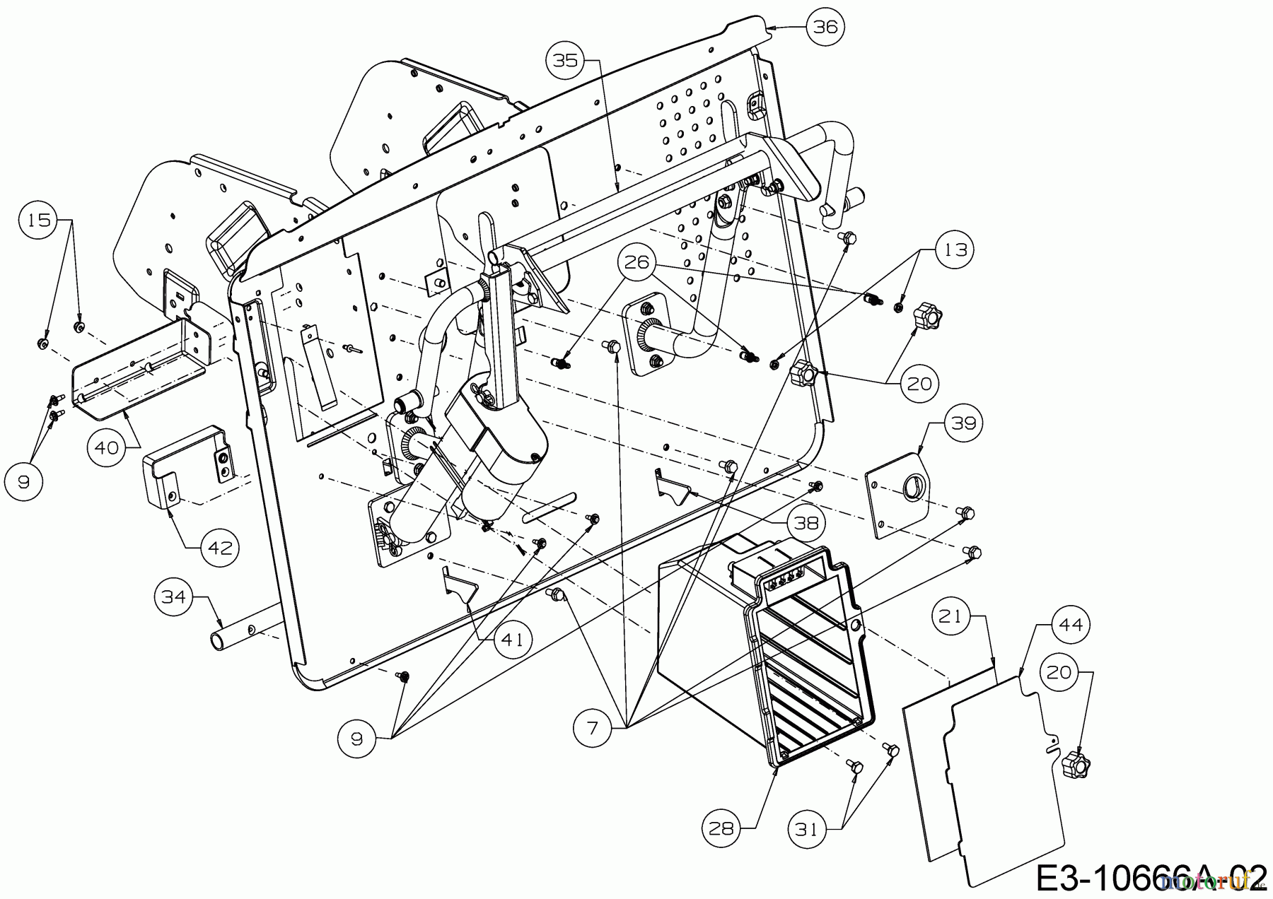
Hier finden Sie die Ersatzteilzeichnung für Cub Cadet Rasentraktoren XT3 QR106E 13CIA5CR603 (2020) Batteriekasten, Heckplatte. Wählen Sie das benötigte Ersatzteil aus der Ersatzteilliste Ihres Cub Cadet Gerätes aus und bestellen Sie einfach online. Viele Cub Cadet Ersatzteile halten wir ständig in unserem Lager für Sie bereit.


Qualitätsmanagement
Informieren Sie uns, wenn Sie einen Fehler gefunden haben.








