Cub Cadet LR2 FR60 13B521SC603 (2020) Motorkeilriemenscheibe, Motorträger Ersatzteile
Motorkeilriemenscheibe, Motorträger 13B521SC603 (2020)

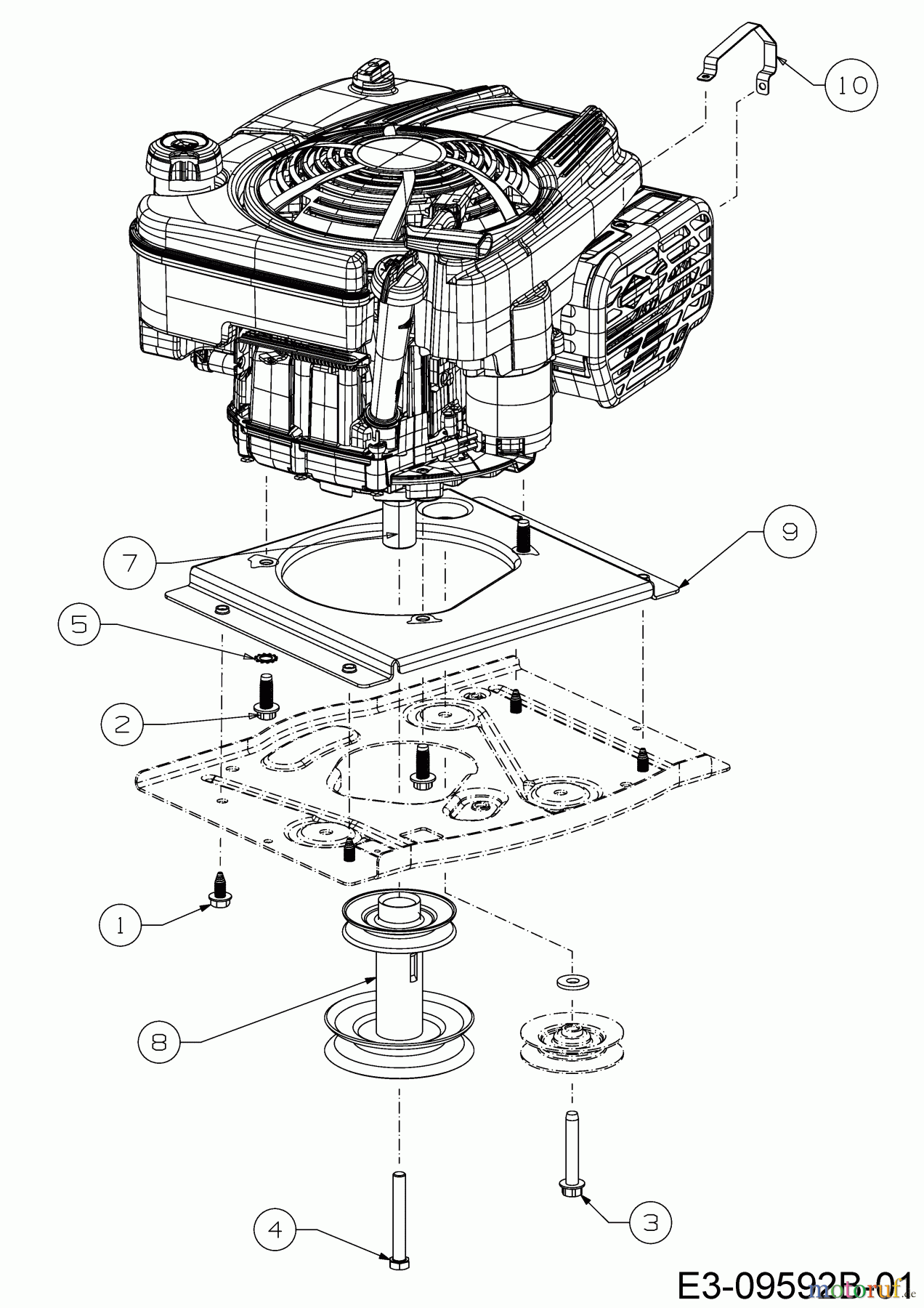
Hier finden Sie die Ersatzteilzeichnung für Cub Cadet Rasentraktoren LR2 FR60 13B521SC603 (2020) Motorkeilriemenscheibe, Motorträger. Wählen Sie das benötigte Ersatzteil aus der Ersatzteilliste Ihres Cub Cadet Gerätes aus und bestellen Sie einfach online. Viele Cub Cadet Ersatzteile halten wir ständig in unserem Lager für Sie bereit.


Qualitätsmanagement
Informieren Sie uns, wenn Sie einen Fehler gefunden haben.




