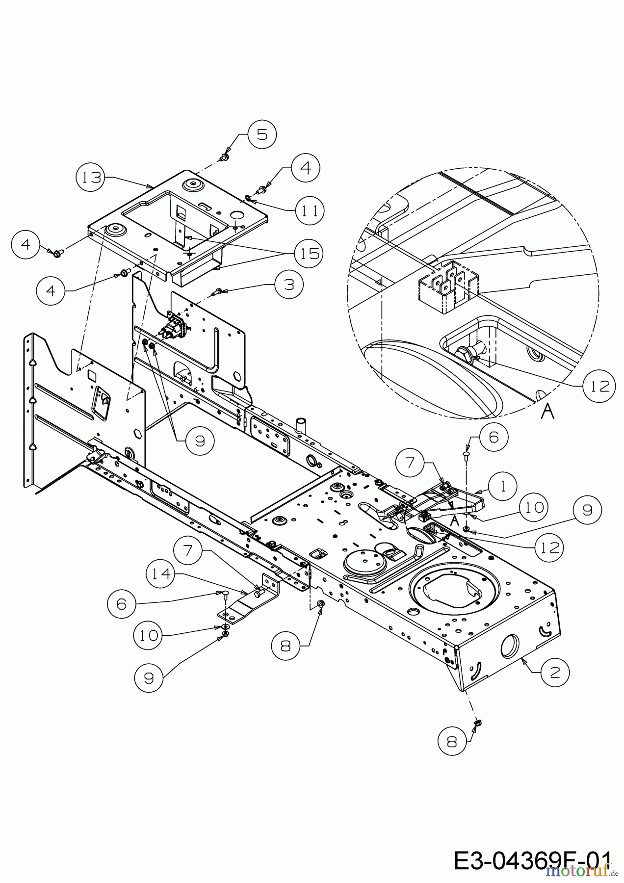
Cub Cadet LT1 NR76 13A776DC603 (2019) Rahmen Ersatzteile
Rahmen 13A776DC603 (2019)

Hier finden Sie die Ersatzteilzeichnung für Cub Cadet Rasentraktoren LT1 NR76 13A776DC603 (2019) Rahmen. Wählen Sie das benötigte Ersatzteil aus der Ersatzteilliste Ihres Cub Cadet Gerätes aus und bestellen Sie einfach online. Viele Cub Cadet Ersatzteile halten wir ständig in unserem Lager für Sie bereit.


Qualitätsmanagement
Informieren Sie uns, wenn Sie einen Fehler gefunden haben.









