Cub Cadet LT3 PS107 13HT79DG603 (2019) Motorzubehör Ersatzteile
Motorzubehör 13HT79DG603 (2019)

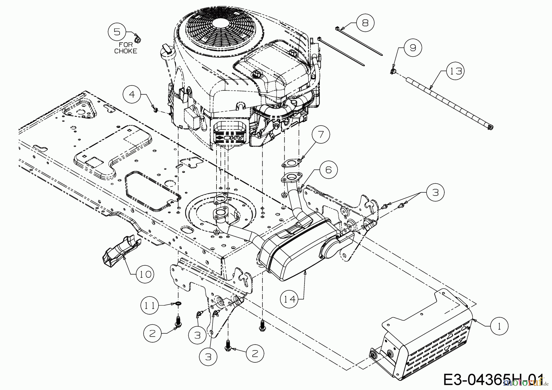
Hier finden Sie die Ersatzteilzeichnung für Cub Cadet Rasentraktoren LT3 PS107 13HT79DG603 (2019) Motorzubehör. Wählen Sie das benötigte Ersatzteil aus der Ersatzteilliste Ihres Cub Cadet Gerätes aus und bestellen Sie einfach online. Viele Cub Cadet Ersatzteile halten wir ständig in unserem Lager für Sie bereit.


Qualitätsmanagement
Informieren Sie uns, wenn Sie einen Fehler gefunden haben.








