Cub Cadet LT2 NR92 13I271DE603 (2020) Abdeckungen Mähwerk E (36"/92cm) Ersatzteile
Abdeckungen Mähwerk E (36"/92cm) 13I271DE603 (2020)

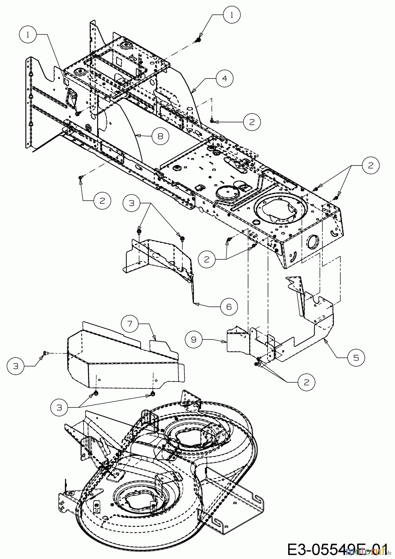
Hier finden Sie die Ersatzteilzeichnung für Cub Cadet Rasentraktoren LT2 NR92 13I271DE603 (2020) Abdeckungen Mähwerk E (36"/92cm). Wählen Sie das benötigte Ersatzteil aus der Ersatzteilliste Ihres Cub Cadet Gerätes aus und bestellen Sie einfach online. Viele Cub Cadet Ersatzteile halten wir ständig in unserem Lager für Sie bereit.


Qualitätsmanagement
Informieren Sie uns, wenn Sie einen Fehler gefunden haben.




