Cub Cadet LR2 NR76 13B221HD603 (2020) Choke- und Gaszug, Motorkeilriemenscheibe, Motorzubehör Ersatzteile
Choke- und Gaszug, Motorkeilriemenscheibe, Motorzubehör 13B221HD603 (2020)

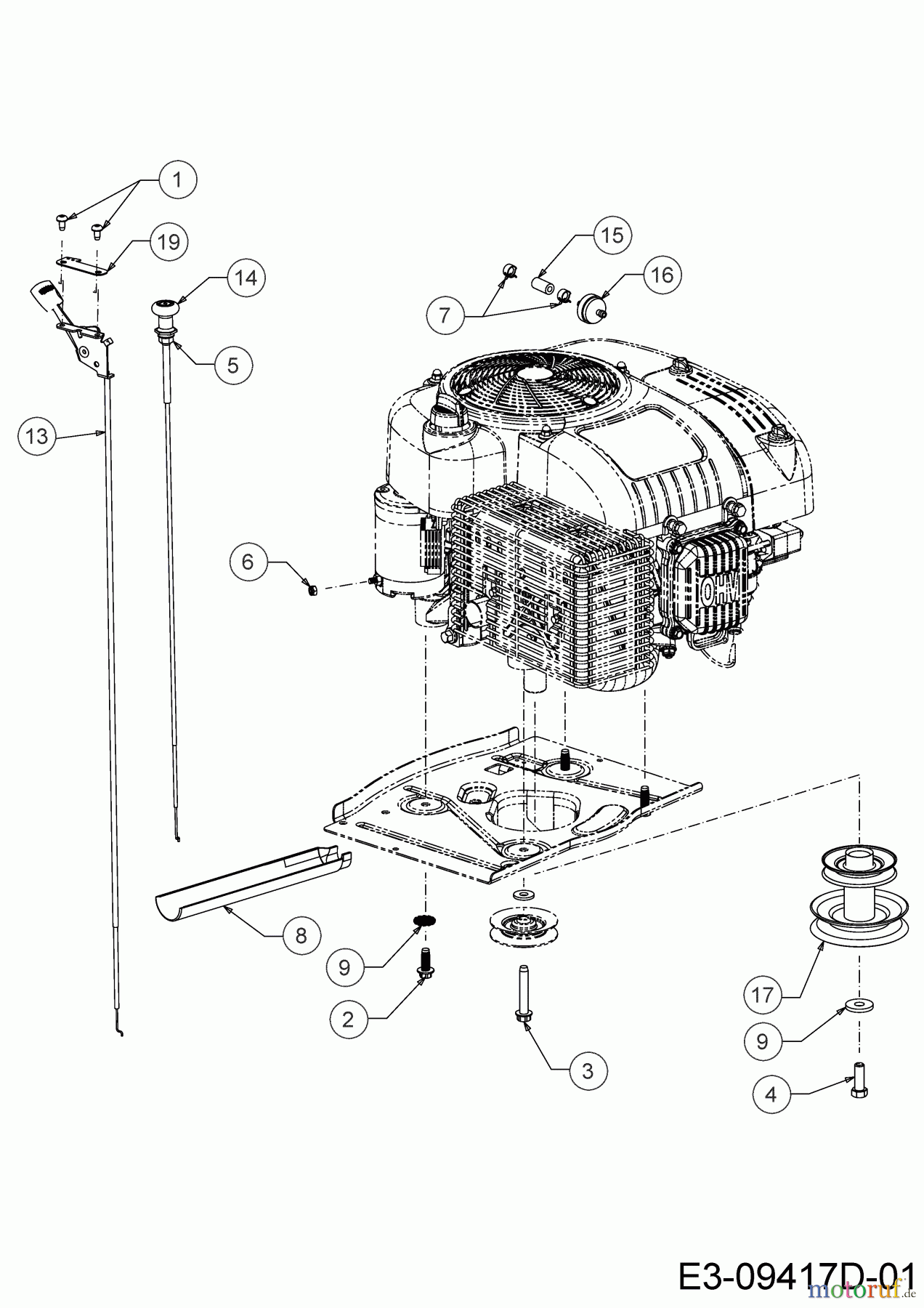
Hier finden Sie die Ersatzteilzeichnung für Cub Cadet Rasentraktoren LR2 NR76 13B221HD603 (2020) Choke- und Gaszug, Motorkeilriemenscheibe, Motorzubehör. Wählen Sie das benötigte Ersatzteil aus der Ersatzteilliste Ihres Cub Cadet Gerätes aus und bestellen Sie einfach online. Viele Cub Cadet Ersatzteile halten wir ständig in unserem Lager für Sie bereit.


Qualitätsmanagement
Informieren Sie uns, wenn Sie einen Fehler gefunden haben.







