Cub Cadet XT1 OS96 13A8A1CF603 (2020) Schaltplan Elektromagnetkupplung Ersatzteile
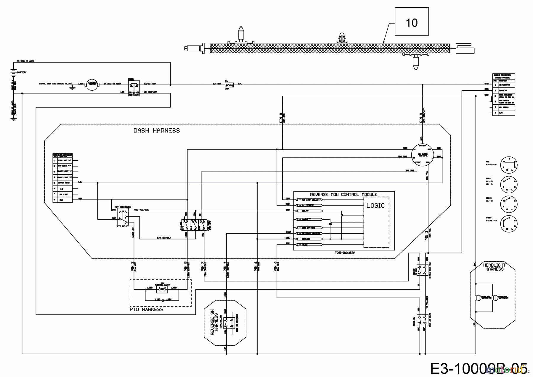
Schaltplan Elektromagnetkupplung 13A8A1CF603 (2020)

Hier finden Sie die Ersatzteilzeichnung für Cub Cadet Rasentraktoren XT1 OS96 13A8A1CF603 (2020) Schaltplan Elektromagnetkupplung. Wählen Sie das benötigte Ersatzteil aus der Ersatzteilliste Ihres Cub Cadet Gerätes aus und bestellen Sie einfach online. Viele Cub Cadet Ersatzteile halten wir ständig in unserem Lager für Sie bereit.
| BildNr | Artikel Nummer | Bezeichnung | |
| 10 | 725-06173 | KABELBAUM (DRAHTBRÜCKE) EPTO | |


Qualitätsmanagement
 Informieren Sie uns, wenn Sie einen Fehler gefunden haben.


