Cub Cadet XT3 QS137 14AIA5CA603 (2020) Mulchstopfen Ersatzteile
Mulchstopfen 14AIA5CA603 (2020)

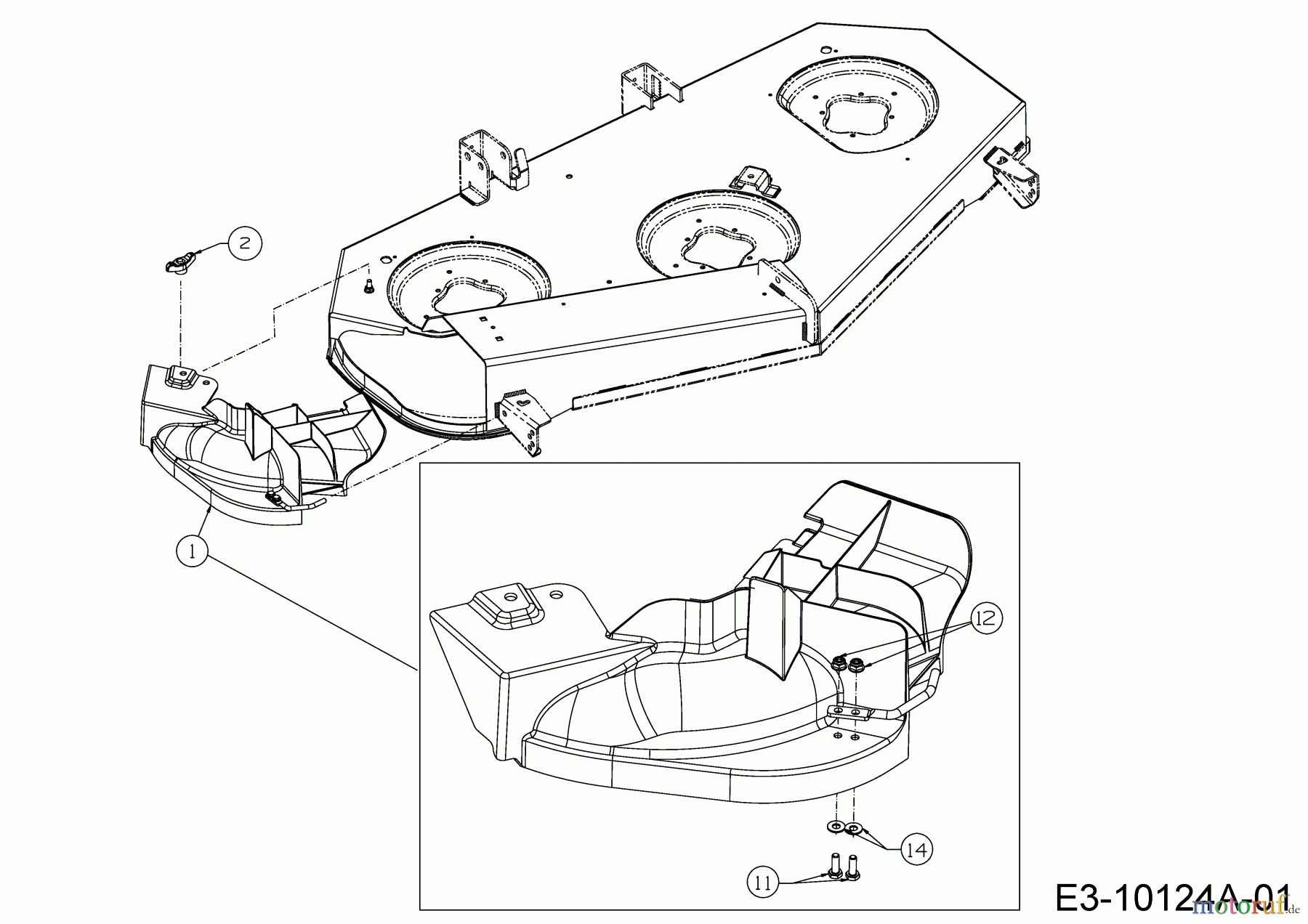
Hier finden Sie die Ersatzteilzeichnung für Cub Cadet Gartentraktoren XT3 QS137 14AIA5CA603 (2020) Mulchstopfen. Wählen Sie das benötigte Ersatzteil aus der Ersatzteilliste Ihres Cub Cadet Gerätes aus und bestellen Sie einfach online. Viele Cub Cadet Ersatzteile halten wir ständig in unserem Lager für Sie bereit.






