Echo WP-3000 - Water Pump, S/N: F0000 - F7298 Fuel Pipe Ersatzteile
Fuel Pipe WP-3000 - Echo Water Pump, S/N: F0000 - F7298

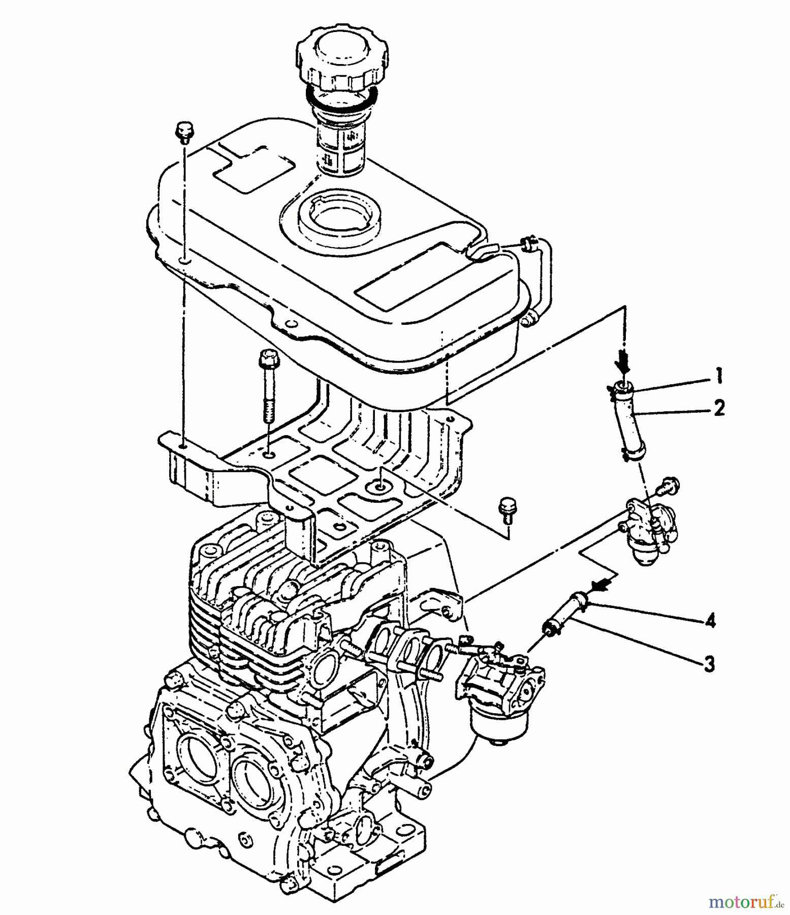
Hier finden Sie die Ersatzteilzeichnung für Echo Wasserpumpen WP-3000 - Echo Water Pump, S/N: F0000 - F7298 Fuel Pipe. Wählen Sie das benötigte Ersatzteil aus der Ersatzteilliste Ihres Echo Gerätes aus und bestellen Sie einfach online. Viele Echo Ersatzteile halten wir ständig in unserem Lager für Sie bereit.
| BildNr | Artikel Nummer | Bezeichnung | |
| 1 | 16Y10699044660 | ||
| 2 | 16Y16071059350 | ||
| 3 | 16Y16082059360 | ||
| 4 | 1699999999999 | ||


Qualitätsmanagement
Informieren Sie uns, wenn Sie einen Fehler gefunden haben.

