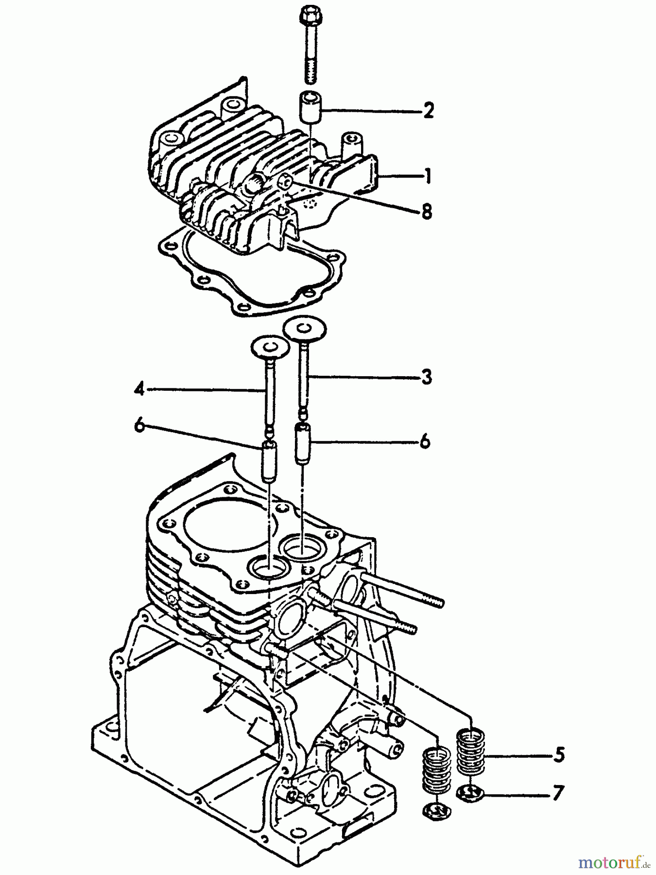
Echo WP-3000 - Water Pump, S/N: F0000 - F7298 Cylinder Head Ersatzteile
Cylinder Head WP-3000 - Echo Water Pump, S/N: F0000 - F7298

Hier finden Sie die Ersatzteilzeichnung für Echo Wasserpumpen WP-3000 - Echo Water Pump, S/N: F0000 - F7298 Cylinder Head. Wählen Sie das benötigte Ersatzteil aus der Ersatzteilliste Ihres Echo Gerätes aus und bestellen Sie einfach online. Viele Echo Ersatzteile halten wir ständig in unserem Lager für Sie bereit.
| BildNr | Artikel Nummer | Bezeichnung | |
| 1 | 1699999999999 | ||
| 2 | 16Y16071011050 | ||
| 3 | 16Y16071011100 | ||
| 4 | 16Y16071011110 | ||
| 5 | 16Y16071011120 | ||
| 6 | 16Y16061011160 | ||
| 7 | 16Y16061011180 | ||
| 8 | 16Y26757060002 | ||



