Echo SRM-3400 - String Trimmer (Type 1E) Engine, Crankcase, Fan Housing, Clutch Drum, Cover Ersatzteile
Engine, Crankcase, Fan Housing, Clutch Drum, Cover SRM-3400 - Echo String Trimmer (Type 1E)

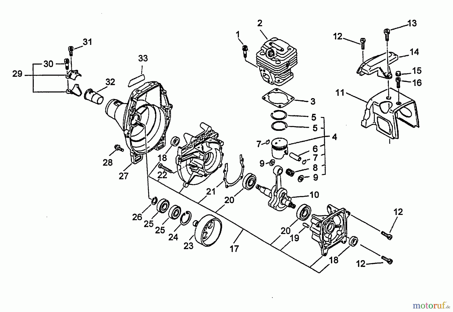
Hier finden Sie die Ersatzteilzeichnung für Echo Trimmer, Faden / Bürste SRM-3400 - Echo String Trimmer (Type 1E) Engine, Crankcase, Fan Housing, Clutch Drum, Cover. Wählen Sie das benötigte Ersatzteil aus der Ersatzteilliste Ihres Echo Gerätes aus und bestellen Sie einfach online. Viele Echo Ersatzteile halten wir ständig in unserem Lager für Sie bereit.


Qualitätsmanagement
Informieren Sie uns, wenn Sie einen Fehler gefunden haben.

