Echo SRM-302ADX - String Trimmer Crankcase Ersatzteile
Crankcase SRM-302ADX - Echo String Trimmer

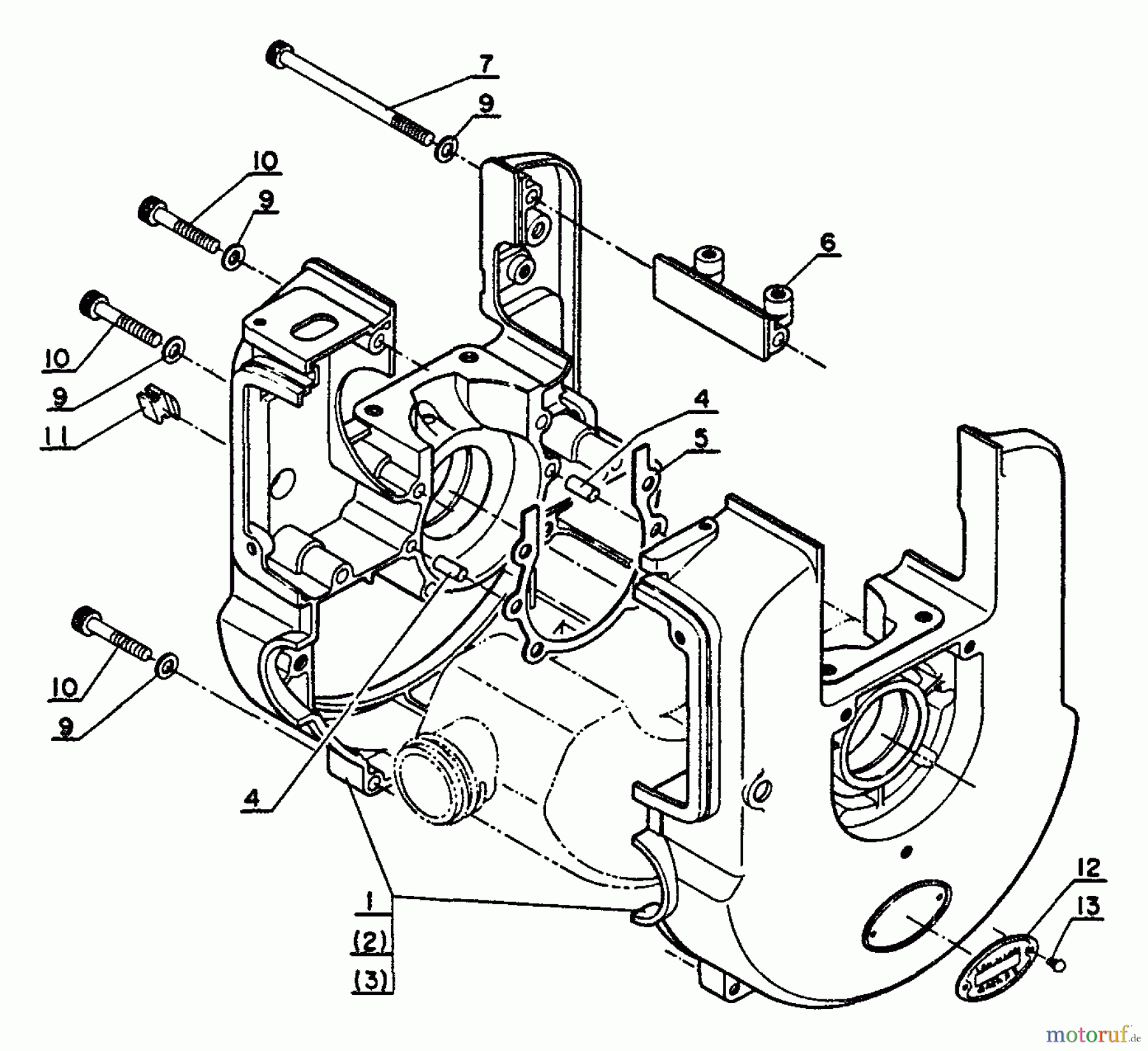
Hier finden Sie die Ersatzteilzeichnung für Echo Trimmer, Faden / Bürste SRM-302ADX - Echo String Trimmer Crankcase. Wählen Sie das benötigte Ersatzteil aus der Ersatzteilliste Ihres Echo Gerätes aus und bestellen Sie einfach online. Viele Echo Ersatzteile halten wir ständig in unserem Lager für Sie bereit.
| BildNr | Artikel Nummer | Bezeichnung | |
| 1 | 1699999999999 | ||
| 2 | 16 | 16 | |
| 3 | 16 | 16 | |
| 4 | 16-V622-000020 | Stift | |
| 5 | 16-100242-04930 | Dichtung Produktion | |
| 6 | 16-145663-04130 | Halter Produktion eingestellt | |
| 7 | 1690010504065 | ||
| 9 | 16-900600-00004 | Scheibe | |
| 10 | 16-900105-04025 | Schraube | |
| 11 | 1610061403930 | ||
| 12 | 1689001004130 | ||
| 13 | 16-890011-00130 | Kerbstift | |


Qualitätsmanagement
Informieren Sie uns, wenn Sie einen Fehler gefunden haben.

