Echo SRM-300E1 - String Trimmer Carburetor Ersatzteile
Carburetor SRM-300E1 - Echo String Trimmer

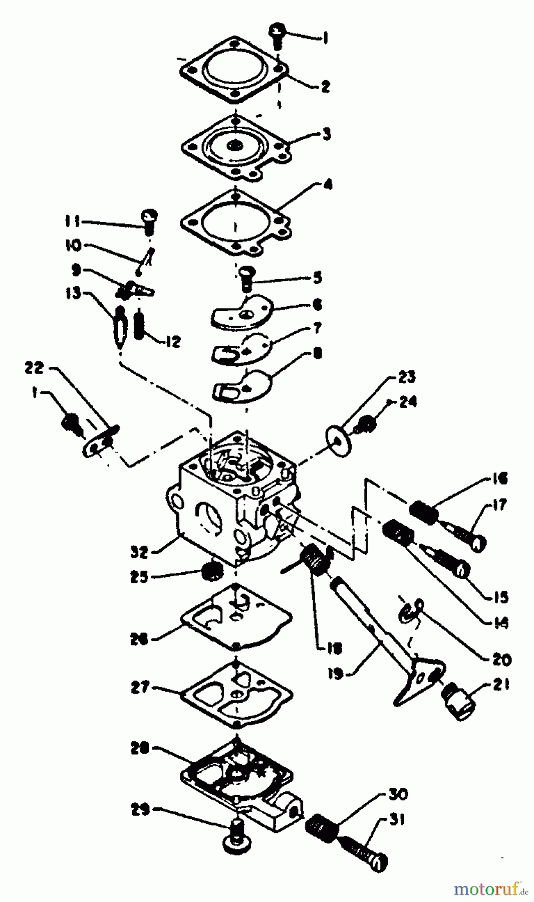
Hier finden Sie die Ersatzteilzeichnung für Echo Trimmer, Faden / Bürste SRM-300E1 - Echo String Trimmer Carburetor. Wählen Sie das benötigte Ersatzteil aus der Ersatzteilliste Ihres Echo Gerätes aus und bestellen Sie einfach online. Viele Echo Ersatzteile halten wir ständig in unserem Lager für Sie bereit.





