Echo SRM-2100SB - String Trimmer (Type 1) Engine, Fan Housing, Cover Ersatzteile
Engine, Fan Housing, Cover SRM-2100SB - Echo String Trimmer (Type 1)

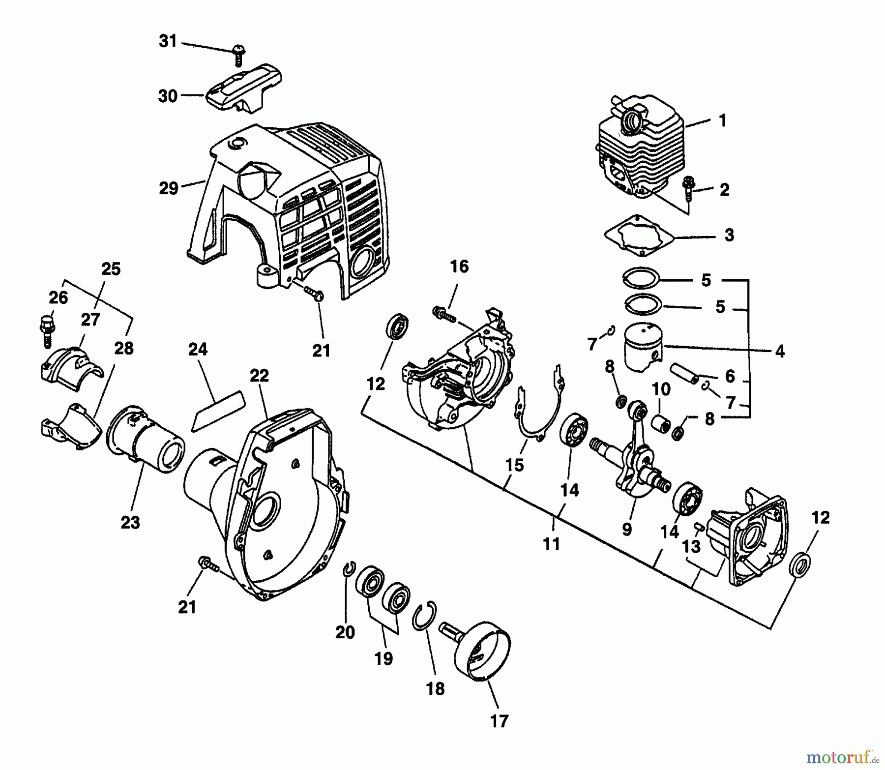
Hier finden Sie die Ersatzteilzeichnung für Echo Trimmer, Faden / Bürste SRM-2100SB - Echo String Trimmer (Type 1) Engine, Fan Housing, Cover. Wählen Sie das benötigte Ersatzteil aus der Ersatzteilliste Ihres Echo Gerätes aus und bestellen Sie einfach online. Viele Echo Ersatzteile halten wir ständig in unserem Lager für Sie bereit.




