Echo SRM-2100 - String Trimmer, S/N:159491 - 999999 (Type 1) Handle, Ignition Switch, Throttle Cable, Driveshaft Ersatzteile
Handle, Ignition Switch, Throttle Cable, Driveshaft SRM-2100 - Echo String Trimmer, S/N:159491 - 999999 (Type 1)

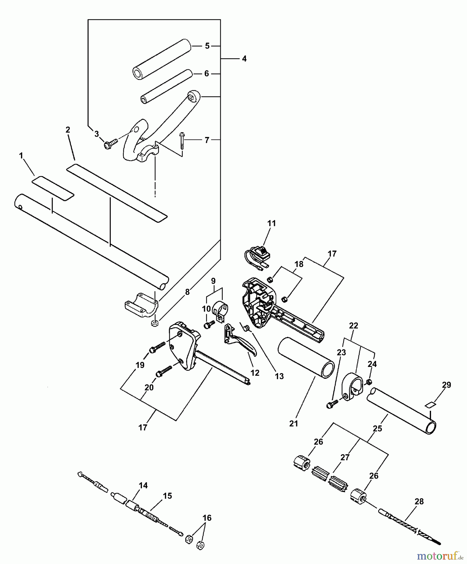
Hier finden Sie die Ersatzteilzeichnung für Echo Trimmer, Faden / Bürste SRM-2100 - Echo String Trimmer, S/N:159491 - 999999 (Type 1) Handle, Ignition Switch, Throttle Cable, Driveshaft. Wählen Sie das benötigte Ersatzteil aus der Ersatzteilliste Ihres Echo Gerätes aus und bestellen Sie einfach online. Viele Echo Ersatzteile halten wir ständig in unserem Lager für Sie bereit.




