Echo SRM-200DB - String Trimmer, S/N:001001 - 021800 Engine, Crankcase, Ignition, Stop Switch Ersatzteile
Engine, Crankcase, Ignition, Stop Switch SRM-200DB - Echo String Trimmer, S/N:001001 - 021800

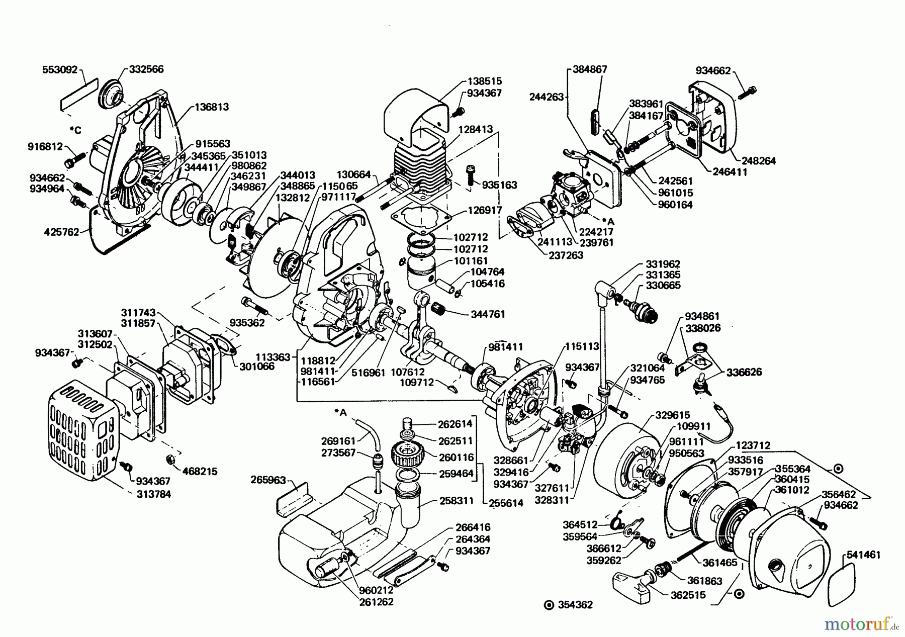
Hier finden Sie die Ersatzteilzeichnung für Echo Trimmer, Faden / Bürste SRM-200DB - Echo String Trimmer, S/N:001001 - 021800 Engine, Crankcase, Ignition, Stop Switch. Wählen Sie das benötigte Ersatzteil aus der Ersatzteilliste Ihres Echo Gerätes aus und bestellen Sie einfach online. Viele Echo Ersatzteile halten wir ständig in unserem Lager für Sie bereit.




