Echo RM-303E - String Trimmer Clutch, Exhaust, Fan Case, Intake, Ignition Switch, Starter Ersatzteile
Clutch, Exhaust, Fan Case, Intake, Ignition Switch, Starter RM-303E - Echo String Trimmer

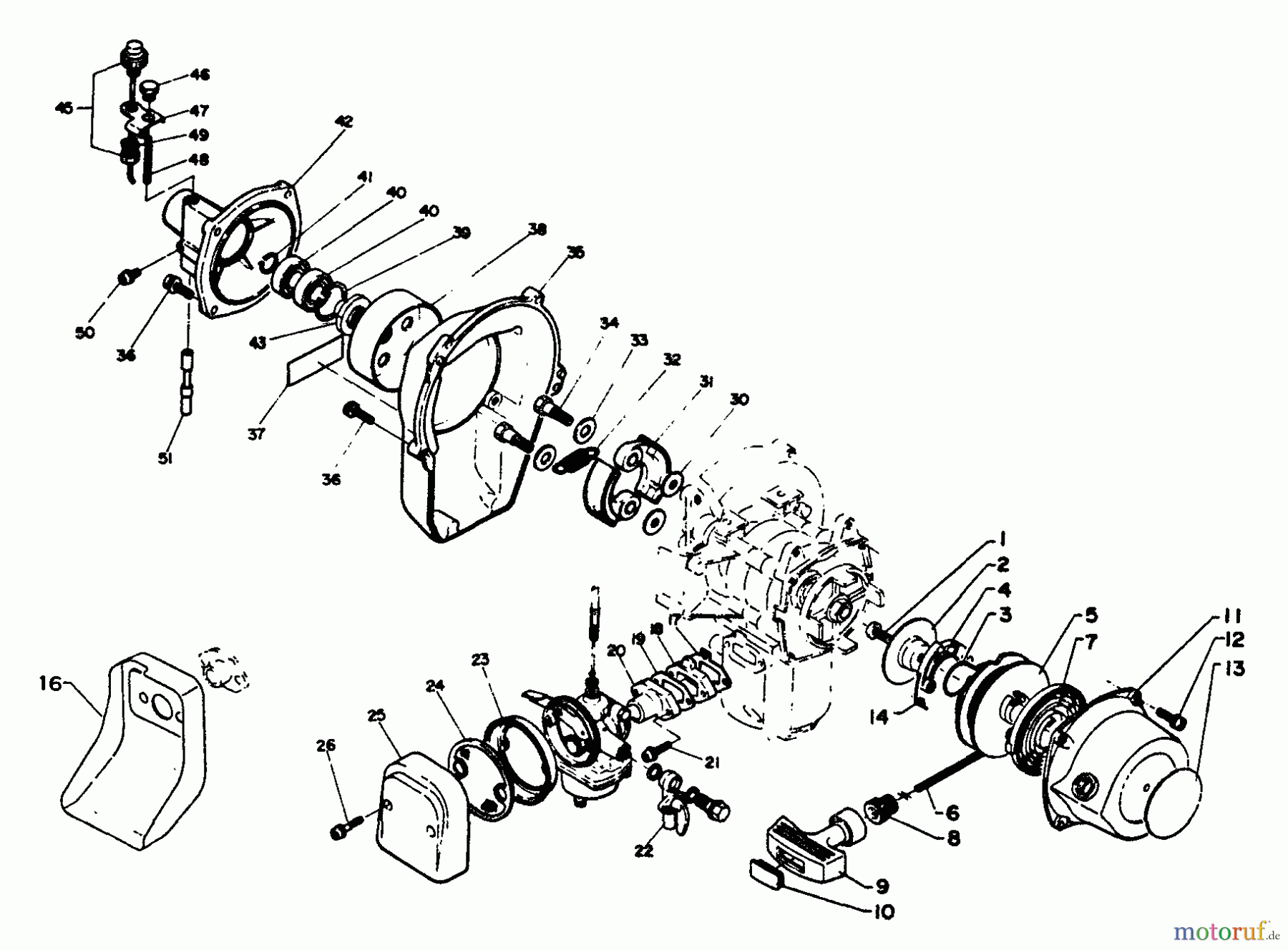
Hier finden Sie die Ersatzteilzeichnung für Echo Trimmer, Faden / Bürste RM-303E - Echo String Trimmer Clutch, Exhaust, Fan Case, Intake, Ignition Switch, Starter. Wählen Sie das benötigte Ersatzteil aus der Ersatzteilliste Ihres Echo Gerätes aus und bestellen Sie einfach online. Viele Echo Ersatzteile halten wir ständig in unserem Lager für Sie bereit.


Qualitätsmanagement
Informieren Sie uns, wenn Sie einen Fehler gefunden haben.

