Echo GT-2400 - String Trimmer Driveshaft, Handles, Throttle, Stop Switch, Harness Ersatzteile
Driveshaft, Handles, Throttle, Stop Switch, Harness GT-2400 - Echo String Trimmer

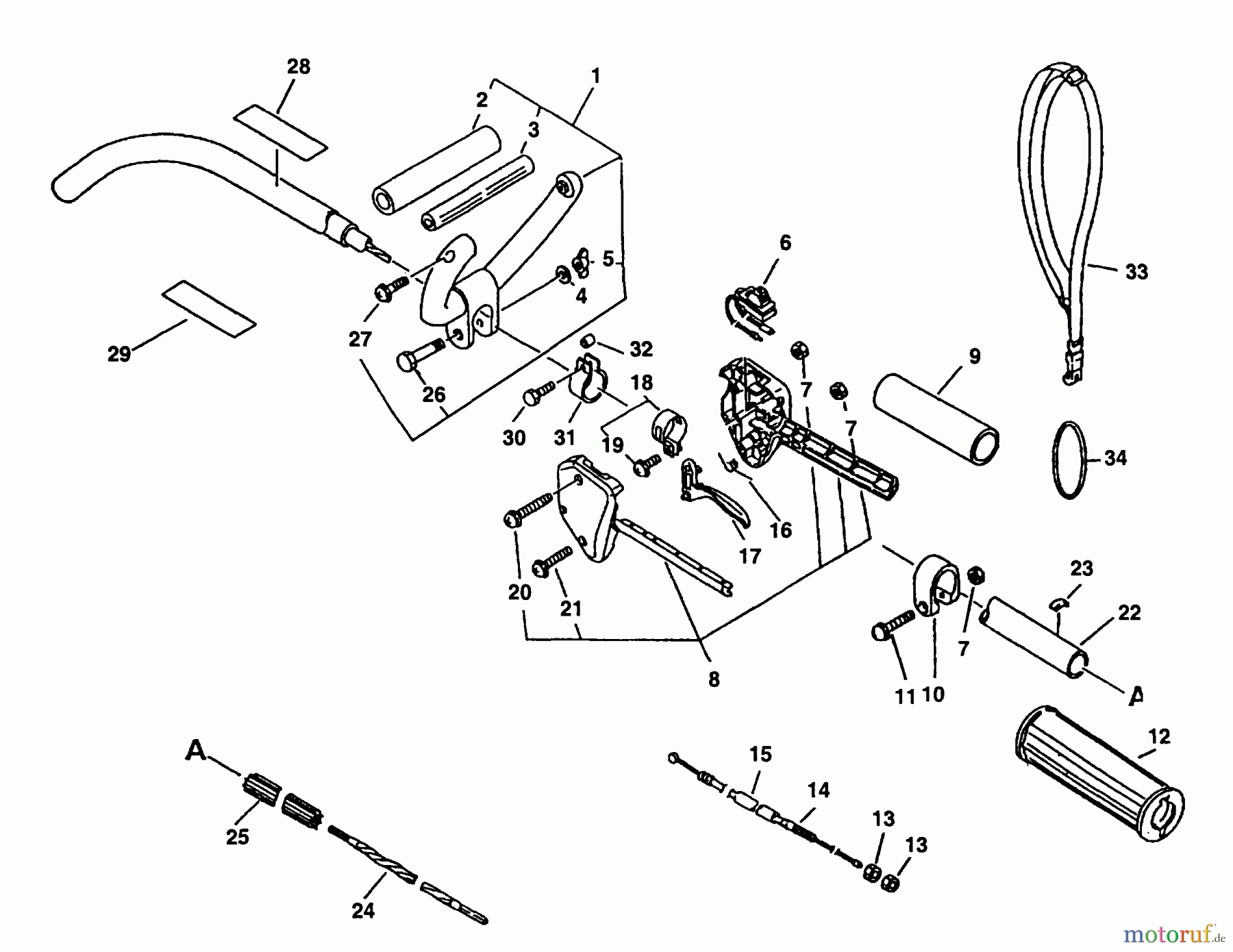
Hier finden Sie die Ersatzteilzeichnung für Echo Trimmer, Faden / Bürste GT-2400 - Echo String Trimmer Driveshaft, Handles, Throttle, Stop Switch, Harness. Wählen Sie das benötigte Ersatzteil aus der Ersatzteilliste Ihres Echo Gerätes aus und bestellen Sie einfach online. Viele Echo Ersatzteile halten wir ständig in unserem Lager für Sie bereit.




