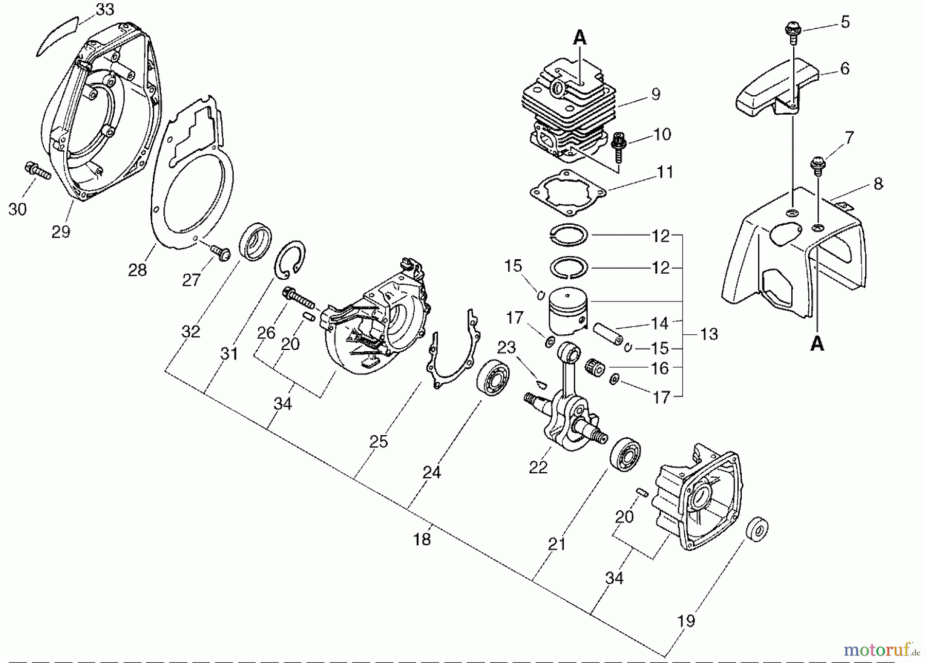
Echo CLS-4610 - Clearing Saw Cylinder, Crankcase, Piston Ersatzteile
Cylinder, Crankcase, Piston CLS-4610 - Echo Clearing Saw

Hier finden Sie die Ersatzteilzeichnung für Echo Trimmer, Faden / Bürste CLS-4610 - Echo Clearing Saw Cylinder, Crankcase, Piston. Wählen Sie das benötigte Ersatzteil aus der Ersatzteilliste Ihres Echo Gerätes aus und bestellen Sie einfach online. Viele Echo Ersatzteile halten wir ständig in unserem Lager für Sie bereit.




