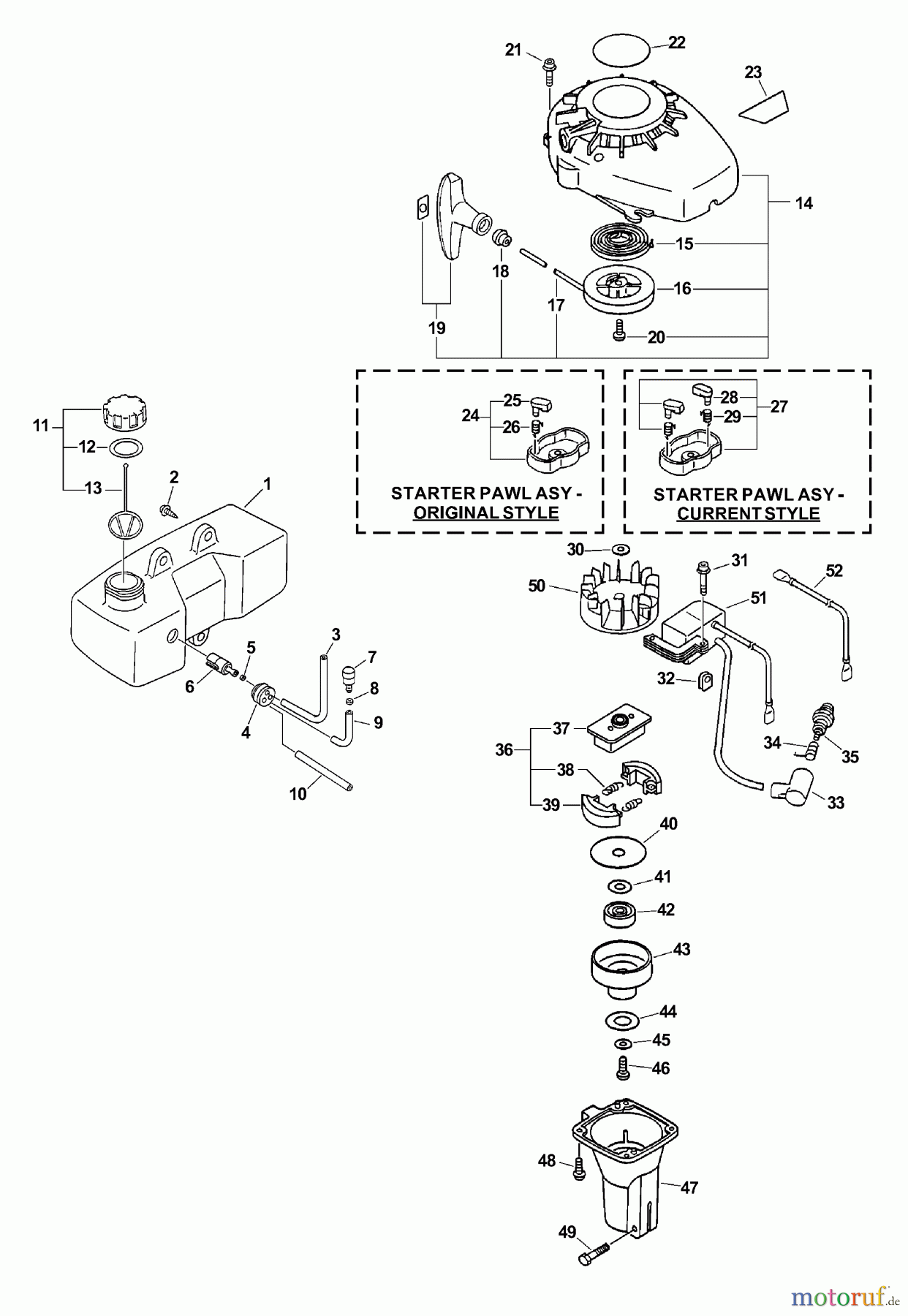
Echo TC-2100 - Tiller/Cultivator, S/N: 001001 - 999999 (Type 1E) Fuel System, Ignition, Starter Ersatzteile
Fuel System, Ignition, Starter TC-2100 - Echo Tiller/Cultivator, S/N: 001001 - 999999 (Type 1E)

Hier finden Sie die Ersatzteilzeichnung für Echo Motorhacken / Kultivierer TC-2100 - Echo Tiller/Cultivator, S/N: 001001 - 999999 (Type 1E) Fuel System, Ignition, Starter. Wählen Sie das benötigte Ersatzteil aus der Ersatzteilliste Ihres Echo Gerätes aus und bestellen Sie einfach online. Viele Echo Ersatzteile halten wir ständig in unserem Lager für Sie bereit.






