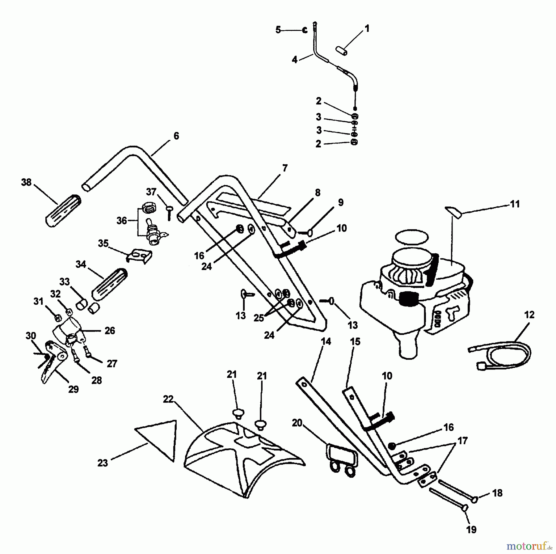
Echo TC-2100 - Tiller/Cultivator, S/N: 001001 - 999999 (Type 1) Handles, Shield, Throttle, Stop Switch Ersatzteile
Handles, Shield, Throttle, Stop Switch TC-2100 - Echo Tiller/Cultivator, S/N: 001001 - 999999 (Type 1)

Hier finden Sie die Ersatzteilzeichnung für Echo Motorhacken / Kultivierer TC-2100 - Echo Tiller/Cultivator, S/N: 001001 - 999999 (Type 1) Handles, Shield, Throttle, Stop Switch. Wählen Sie das benötigte Ersatzteil aus der Ersatzteilliste Ihres Echo Gerätes aus und bestellen Sie einfach online. Viele Echo Ersatzteile halten wir ständig in unserem Lager für Sie bereit.


Qualitätsmanagement
Informieren Sie uns, wenn Sie einen Fehler gefunden haben.

