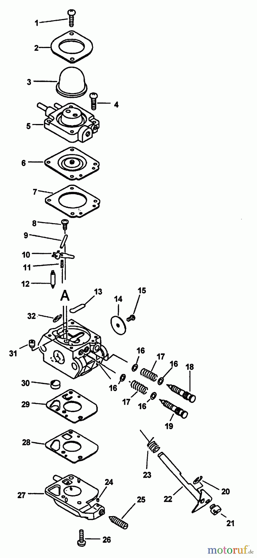
Echo TC-2100 - Tiller/Cultivator, S/N: 001001 - 999999 (Type 1) Carburetor -- C1U-K46 S/N: 011090 - 014146 Ersatzteile
Carburetor -- C1U-K46 S/N: 011090 - 014146 TC-2100 - Echo Tiller/Cultivator, S/N: 001001 - 999999 (Type 1)

Hier finden Sie die Ersatzteilzeichnung für Echo Motorhacken / Kultivierer TC-2100 - Echo Tiller/Cultivator, S/N: 001001 - 999999 (Type 1) Carburetor -- C1U-K46 S/N: 011090 - 014146. Wählen Sie das benötigte Ersatzteil aus der Ersatzteilliste Ihres Echo Gerätes aus und bestellen Sie einfach online. Viele Echo Ersatzteile halten wir ständig in unserem Lager für Sie bereit.



