Echo DM-4610 - Duster/Mister, S/N: D02936001001 - D02936999999 Dusting Attachment Ersatzteile
Dusting Attachment DM-4610 - Echo Duster/Mister, S/N: D02936001001 - D02936999999

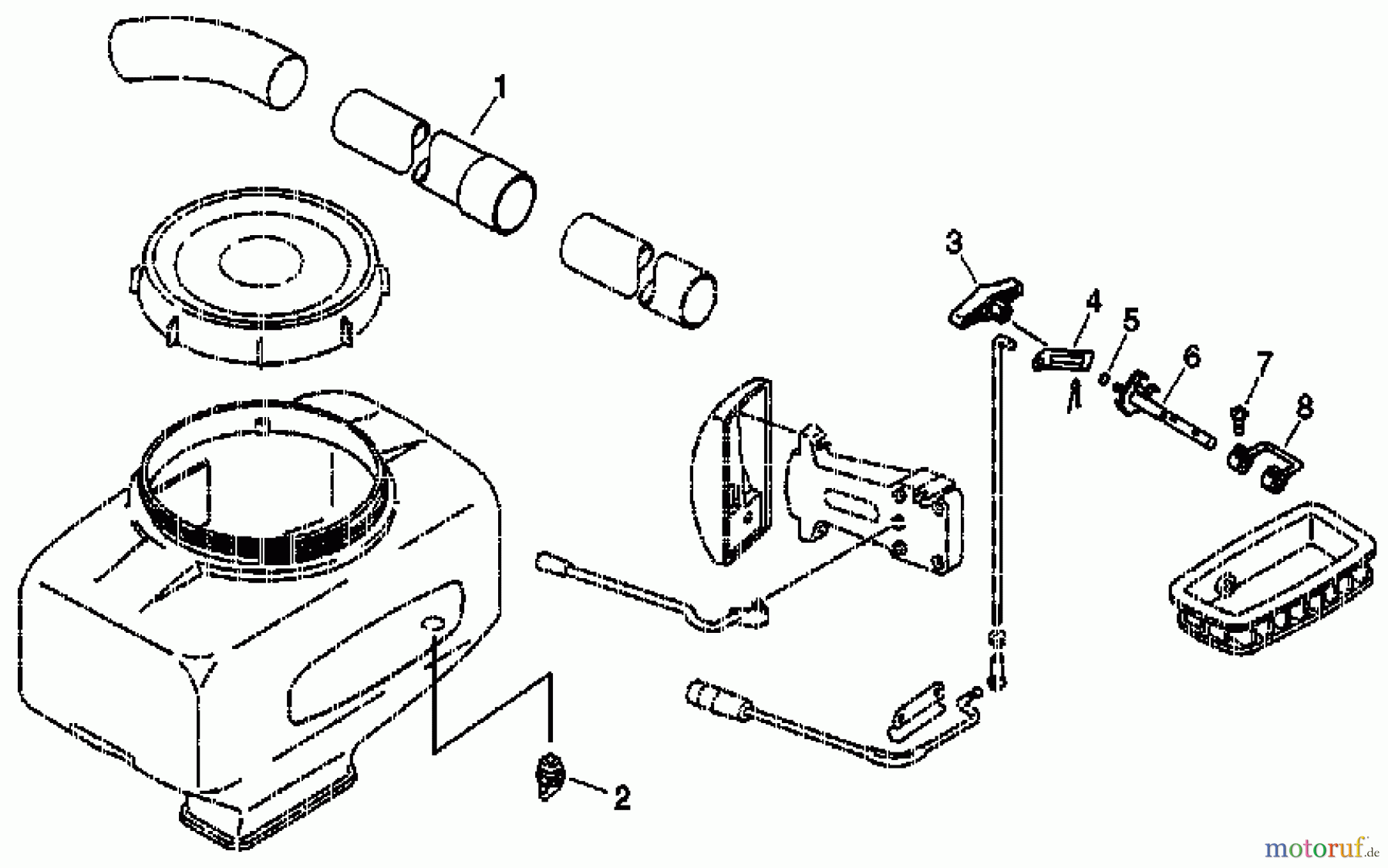
Hier finden Sie die Ersatzteilzeichnung für Echo Pflanzenschutzspritzen DM-4610 - Echo Duster/Mister, S/N: D02936001001 - D02936999999 Dusting Attachment. Wählen Sie das benötigte Ersatzteil aus der Ersatzteilliste Ihres Echo Gerätes aus und bestellen Sie einfach online. Viele Echo Ersatzteile halten wir ständig in unserem Lager für Sie bereit.
| BildNr | Artikel Nummer | Bezeichnung | |
| 1 | 1621001501110 | ||
| 2 | 1625001601110 | ||
| 3 | 1627020704310 | ||
| 4 | 1627021206410 | ||
| 5 | 16-900720-00007 | O-Ring | |
| 6 | 1627020506411 | ||
| 7 | 1690029204014 | ||
| 8 | 1627021606210 | ||


Qualitätsmanagement
Informieren Sie uns, wenn Sie einen Fehler gefunden haben.

