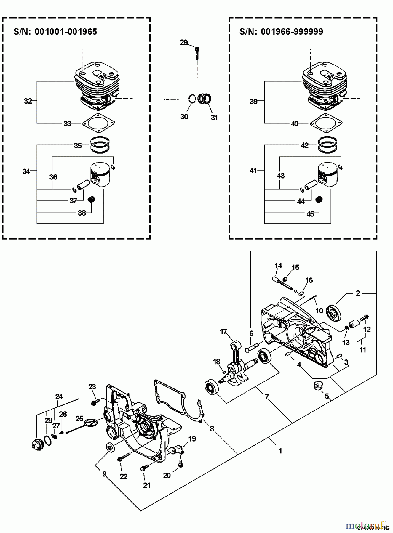
Echo QV-8000 Engine, Cylinder, Oil Cap, Chain Catcher Ersatzteile
Engine, Cylinder, Oil Cap, Chain Catcher QV-8000

Hier finden Sie die Ersatzteilzeichnung für Echo Rettungssäge QV-8000 Engine, Cylinder, Oil Cap, Chain Catcher. Wählen Sie das benötigte Ersatzteil aus der Ersatzteilliste Ihres Echo Gerätes aus und bestellen Sie einfach online. Viele Echo Ersatzteile halten wir ständig in unserem Lager für Sie bereit.


Qualitätsmanagement
Informieren Sie uns, wenn Sie einen Fehler gefunden haben.



