Echo QV-6700 Carburetor Ersatzteile
Carburetor QV-6700

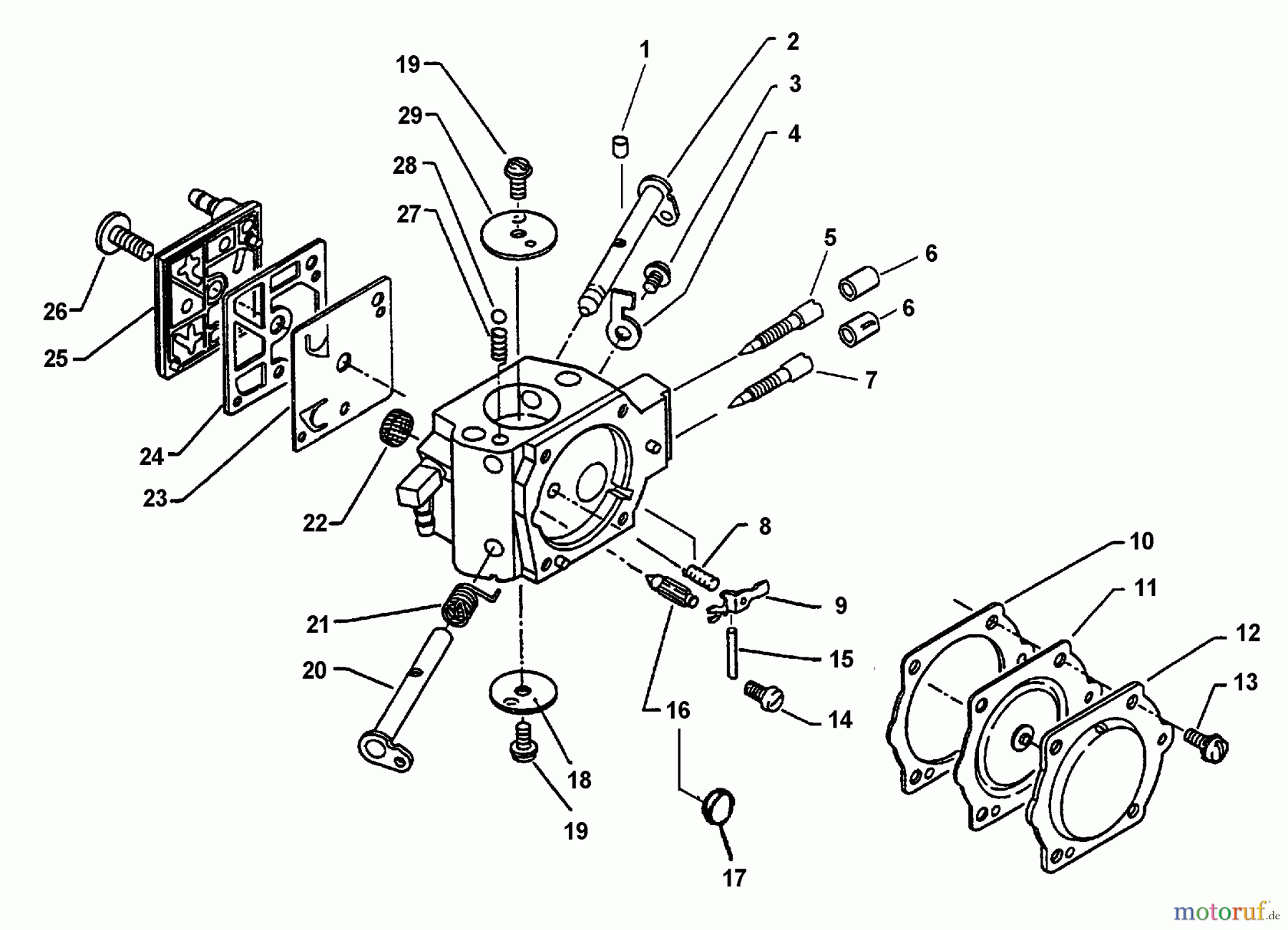
Hier finden Sie die Ersatzteilzeichnung für Echo Rettungssäge QV-6700 Carburetor. Wählen Sie das benötigte Ersatzteil aus der Ersatzteilliste Ihres Echo Gerätes aus und bestellen Sie einfach online. Viele Echo Ersatzteile halten wir ständig in unserem Lager für Sie bereit.


Qualitätsmanagement
Informieren Sie uns, wenn Sie einen Fehler gefunden haben.

