Echo QV-6700 - Quick Vent Chain Saw (Type 1 ) Handles, Throttle Control, Fuel System Ersatzteile
Handles, Throttle Control, Fuel System QV-6700 - Echo Quick Vent Chain Saw (Type 1 )

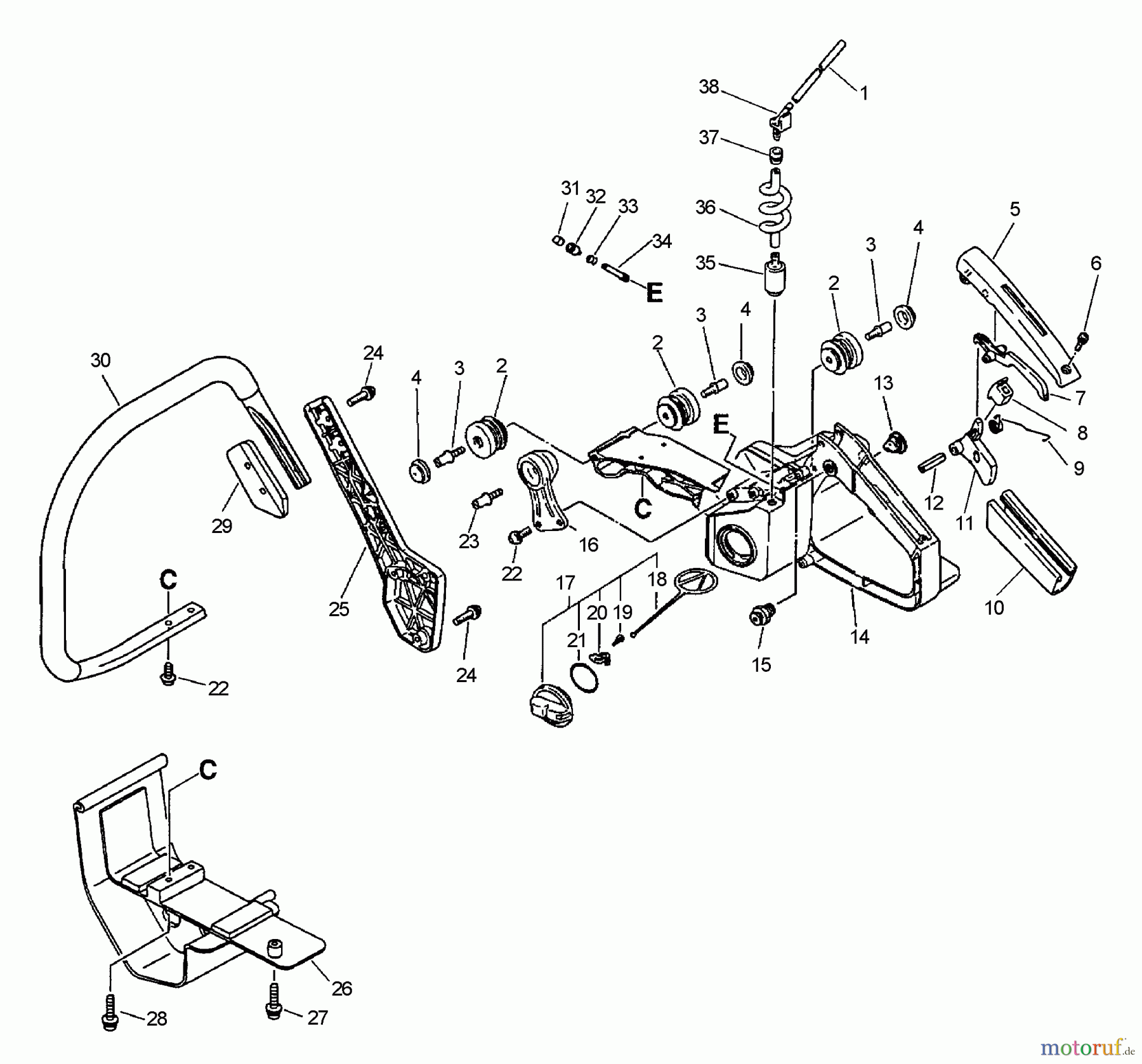
Hier finden Sie die Ersatzteilzeichnung für Echo Rettungssäge QV-6700 - Echo Quick Vent Chain Saw (Type 1 ) Handles, Throttle Control, Fuel System. Wählen Sie das benötigte Ersatzteil aus der Ersatzteilliste Ihres Echo Gerätes aus und bestellen Sie einfach online. Viele Echo Ersatzteile halten wir ständig in unserem Lager für Sie bereit.




