Echo SRS-2400 - Pole Saw / Pruner (Type 1) Starter, Ignition, Clutch, Rear Handle, Fuel System Ersatzteile
Starter, Ignition, Clutch, Rear Handle, Fuel System SRS-2400 - Echo Pole Saw / Pruner (Type 1)

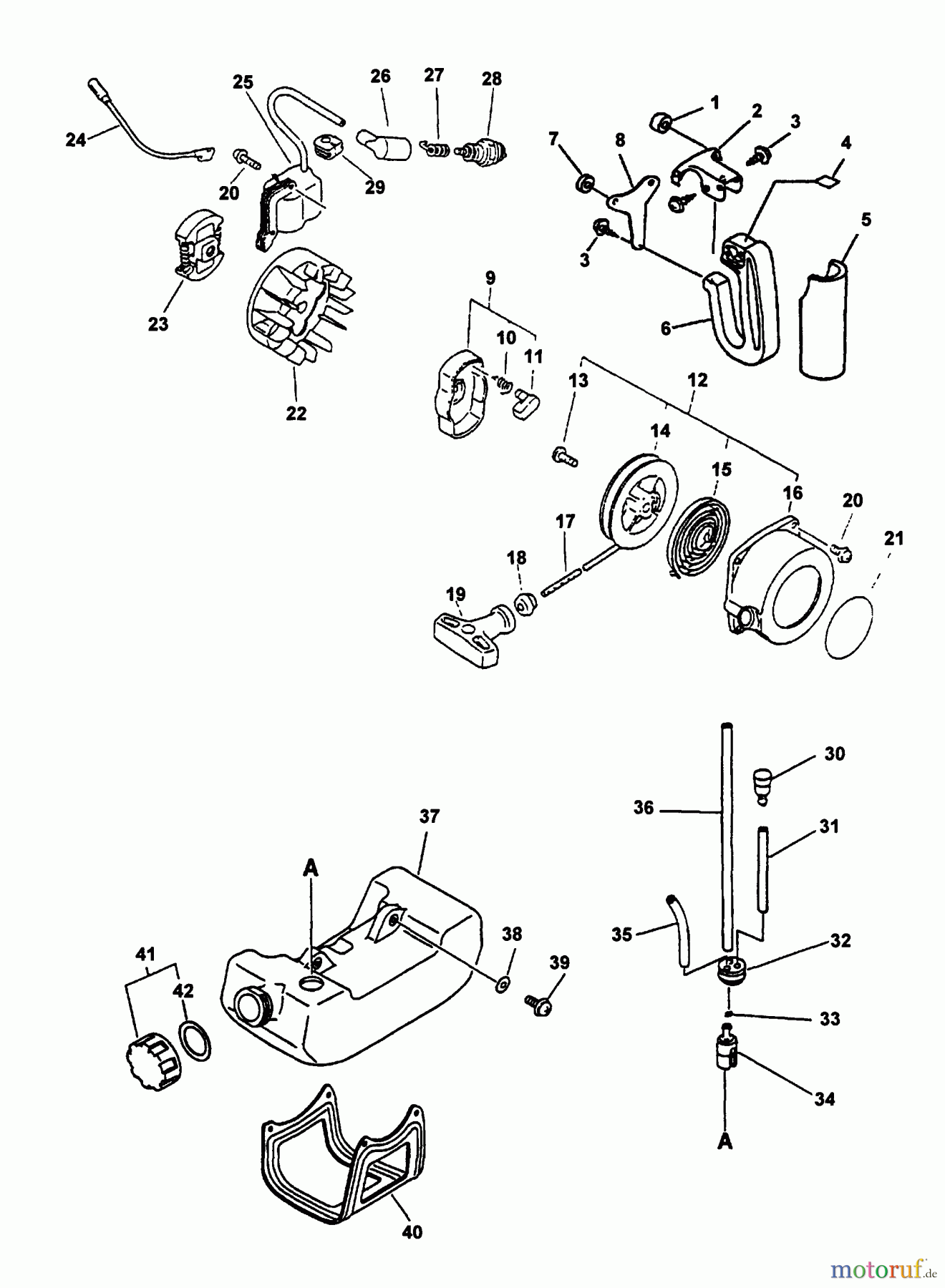
Hier finden Sie die Ersatzteilzeichnung für Echo Hochentaster SRS-2400 - Echo Pole Saw / Pruner (Type 1) Starter, Ignition, Clutch, Rear Handle, Fuel System. Wählen Sie das benötigte Ersatzteil aus der Ersatzteilliste Ihres Echo Gerätes aus und bestellen Sie einfach online. Viele Echo Ersatzteile halten wir ständig in unserem Lager für Sie bereit.


Qualitätsmanagement
Informieren Sie uns, wenn Sie einen Fehler gefunden haben.




