Echo PPT-231 - Pole Saw / Pruner, S/N: 02001001 - 02999999 Fancase, Clutch, Fuel System, Starter Ersatzteile
Fancase, Clutch, Fuel System, Starter PPT-231 - Echo Pole Saw / Pruner, S/N: 02001001 - 02999999

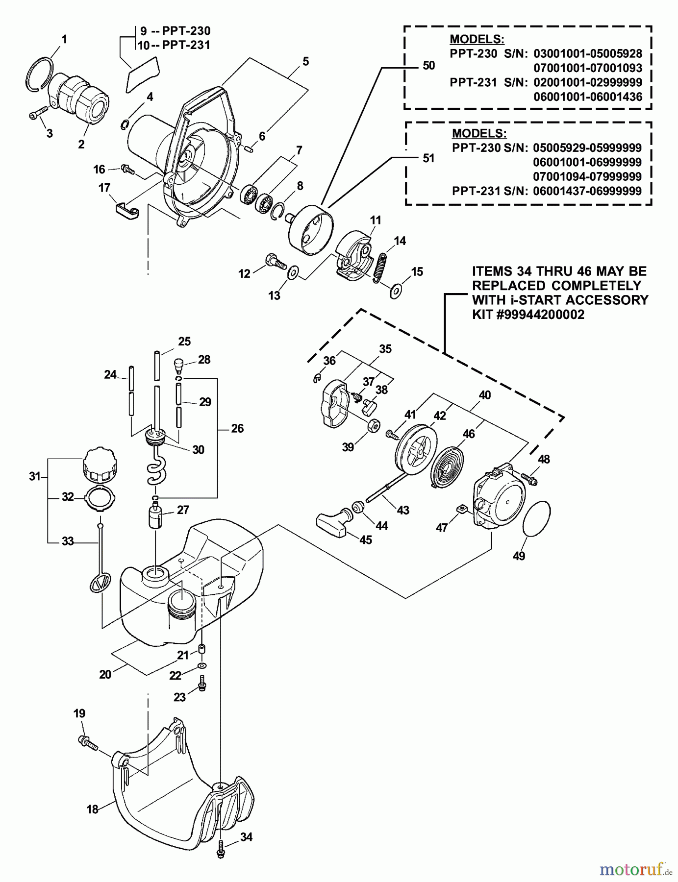
Hier finden Sie die Ersatzteilzeichnung für Echo Hochentaster PPT-231 - Echo Pole Saw / Pruner, S/N: 02001001 - 02999999 Fancase, Clutch, Fuel System, Starter. Wählen Sie das benötigte Ersatzteil aus der Ersatzteilliste Ihres Echo Gerätes aus und bestellen Sie einfach online. Viele Echo Ersatzteile halten wir ständig in unserem Lager für Sie bereit.


Qualitätsmanagement
Informieren Sie uns, wenn Sie einen Fehler gefunden haben.



