Echo PPT-230 - Pole Saw / Pruner, S/N: 07001001 - 07999999 Gear Case, Auto-Oiler, Guide Bar, Chain S/N: 07001453 - 07999999 Ersatzteile
Gear Case, Auto-Oiler, Guide Bar, Chain S/N: 07001453 - 07999999 PPT-230 - Echo Pole Saw / Pruner, S/N: 07001001 - 07999999

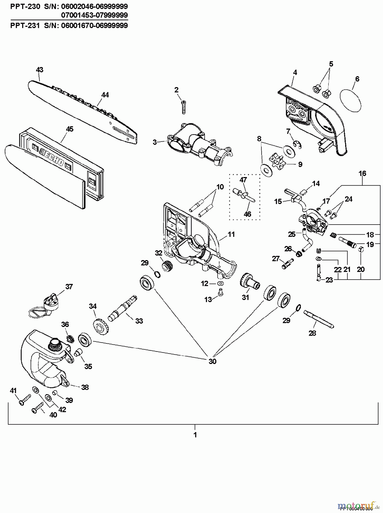
Hier finden Sie die Ersatzteilzeichnung für Echo Hochentaster PPT-230 - Echo Pole Saw / Pruner, S/N: 07001001 - 07999999 Gear Case, Auto-Oiler, Guide Bar, Chain S/N: 07001453 - 07999999. Wählen Sie das benötigte Ersatzteil aus der Ersatzteilliste Ihres Echo Gerätes aus und bestellen Sie einfach online. Viele Echo Ersatzteile halten wir ständig in unserem Lager für Sie bereit.


Qualitätsmanagement
Informieren Sie uns, wenn Sie einen Fehler gefunden haben.



