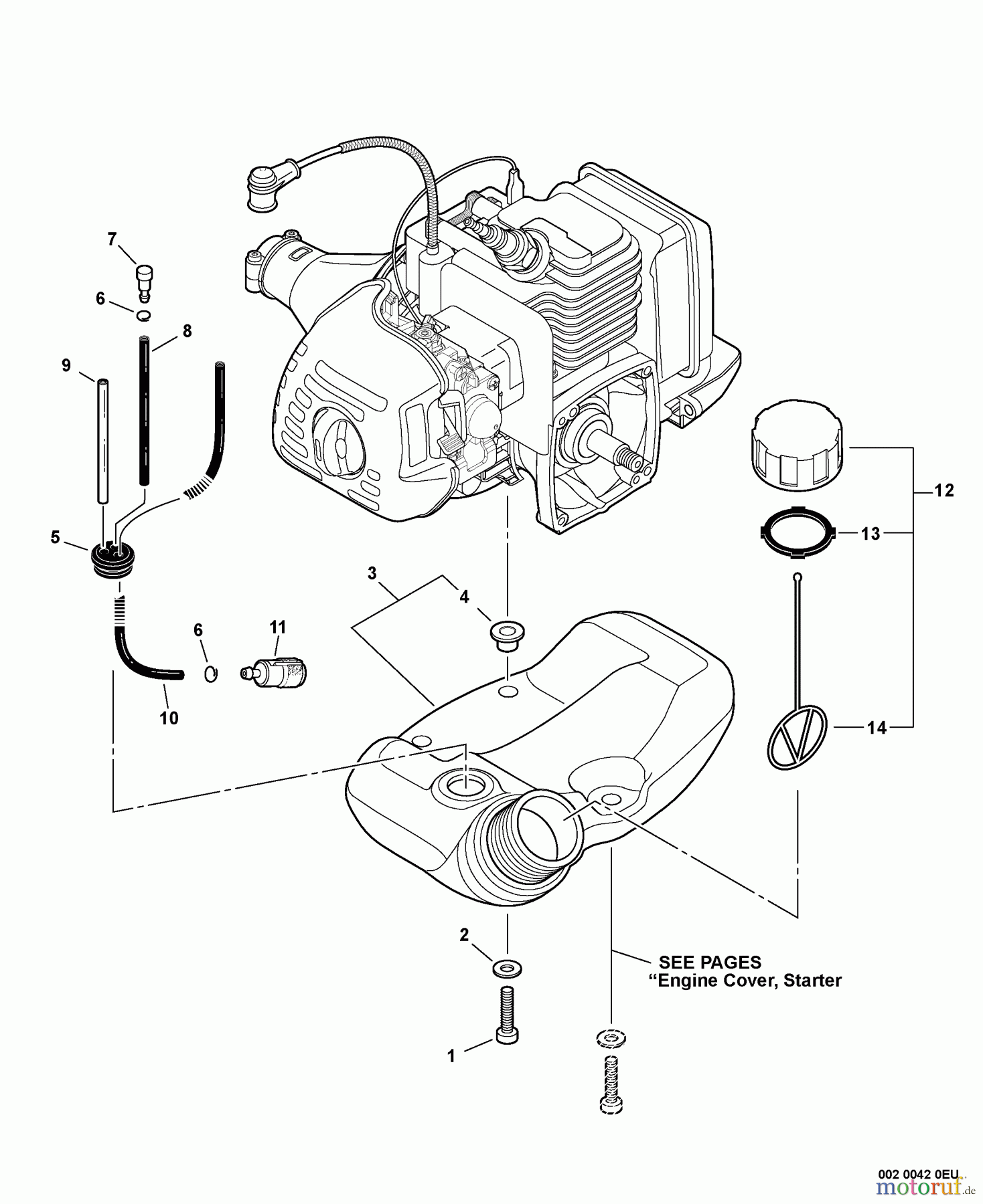
Echo PPF-235ES - Pole Saw / Pruner, S/N: S64437001001 - S64437999999 Fuel System Ersatzteile
Fuel System PPF-235ES - Echo Pole Saw / Pruner, S/N: S64437001001 - S64437999999

Hier finden Sie die Ersatzteilzeichnung für Echo Hochentaster PPF-235ES - Echo Pole Saw / Pruner, S/N: S64437001001 - S64437999999 Fuel System. Wählen Sie das benötigte Ersatzteil aus der Ersatzteilliste Ihres Echo Gerätes aus und bestellen Sie einfach online. Viele Echo Ersatzteile halten wir ständig in unserem Lager für Sie bereit.


Qualitätsmanagement
Informieren Sie uns, wenn Sie einen Fehler gefunden haben.



