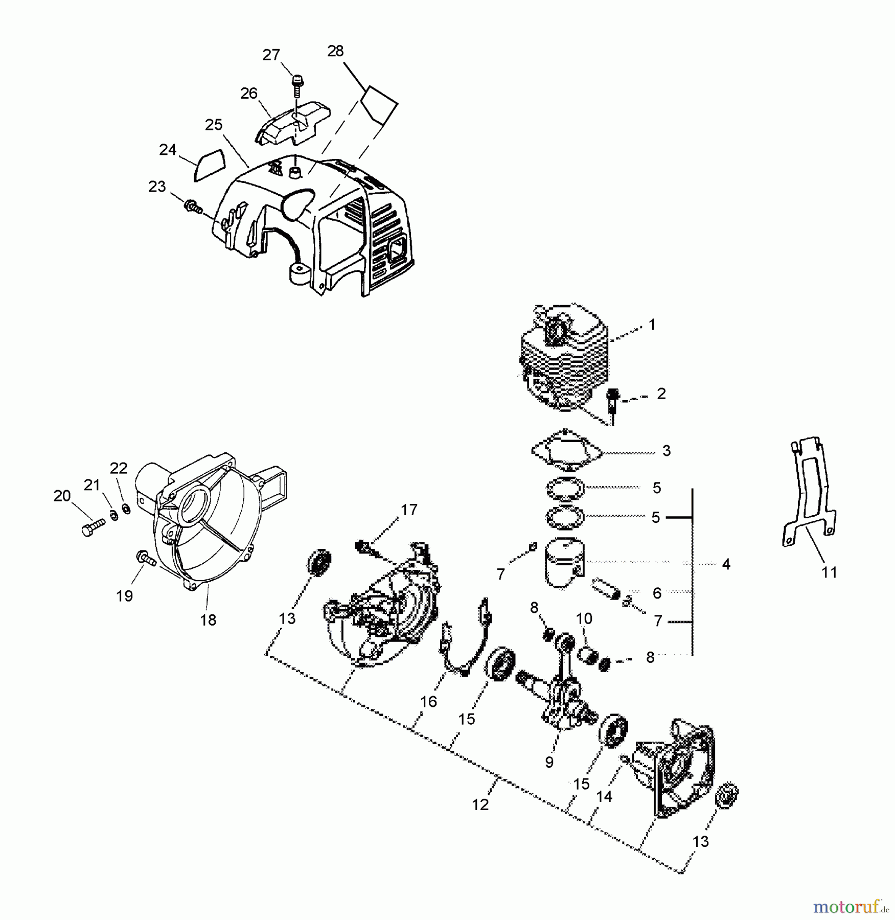
Echo PPF-2100 - Pole Saw / Pruner, S/N: 001001 - 506099 (Type 1E) Crankcase, Engine, Engine Cover, Fan Case Ersatzteile
Crankcase, Engine, Engine Cover, Fan Case PPF-2100 - Echo Pole Saw / Pruner, S/N: 001001 - 506099 (Type 1E)

Hier finden Sie die Ersatzteilzeichnung für Echo Hochentaster PPF-2100 - Echo Pole Saw / Pruner, S/N: 001001 - 506099 (Type 1E) Crankcase, Engine, Engine Cover, Fan Case. Wählen Sie das benötigte Ersatzteil aus der Ersatzteilliste Ihres Echo Gerätes aus und bestellen Sie einfach online. Viele Echo Ersatzteile halten wir ständig in unserem Lager für Sie bereit.




