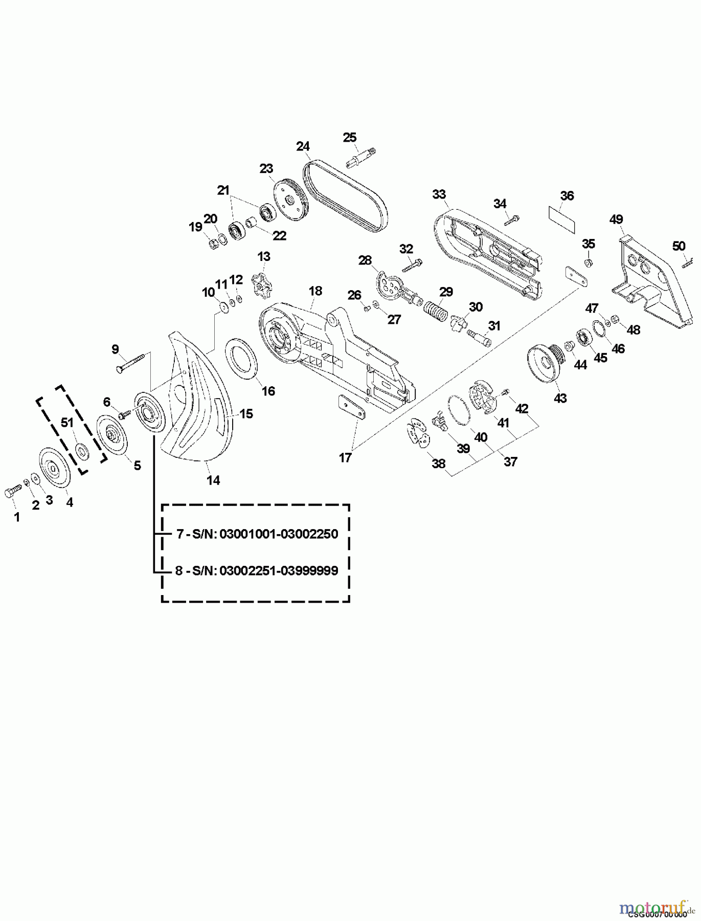
Echo CSG-680 - Cut-Off Saw, S/N: 03001001 - 03999999 Blade Cover, Arm Cover, Belt, Clutch Ersatzteile
Blade Cover, Arm Cover, Belt, Clutch CSG-680 - Echo Cut-Off Saw, S/N: 03001001 - 03999999

Hier finden Sie die Ersatzteilzeichnung für Echo Trennsägen CSG-680 - Echo Cut-Off Saw, S/N: 03001001 - 03999999 Blade Cover, Arm Cover, Belt, Clutch. Wählen Sie das benötigte Ersatzteil aus der Ersatzteilliste Ihres Echo Gerätes aus und bestellen Sie einfach online. Viele Echo Ersatzteile halten wir ständig in unserem Lager für Sie bereit.


Qualitätsmanagement
Informieren Sie uns, wenn Sie einen Fehler gefunden haben.

