Echo CS-6700 - Chainsaw (Type 1E) Carburetor Ersatzteile
Carburetor CS-6700 - Echo Chainsaw (Type 1E)

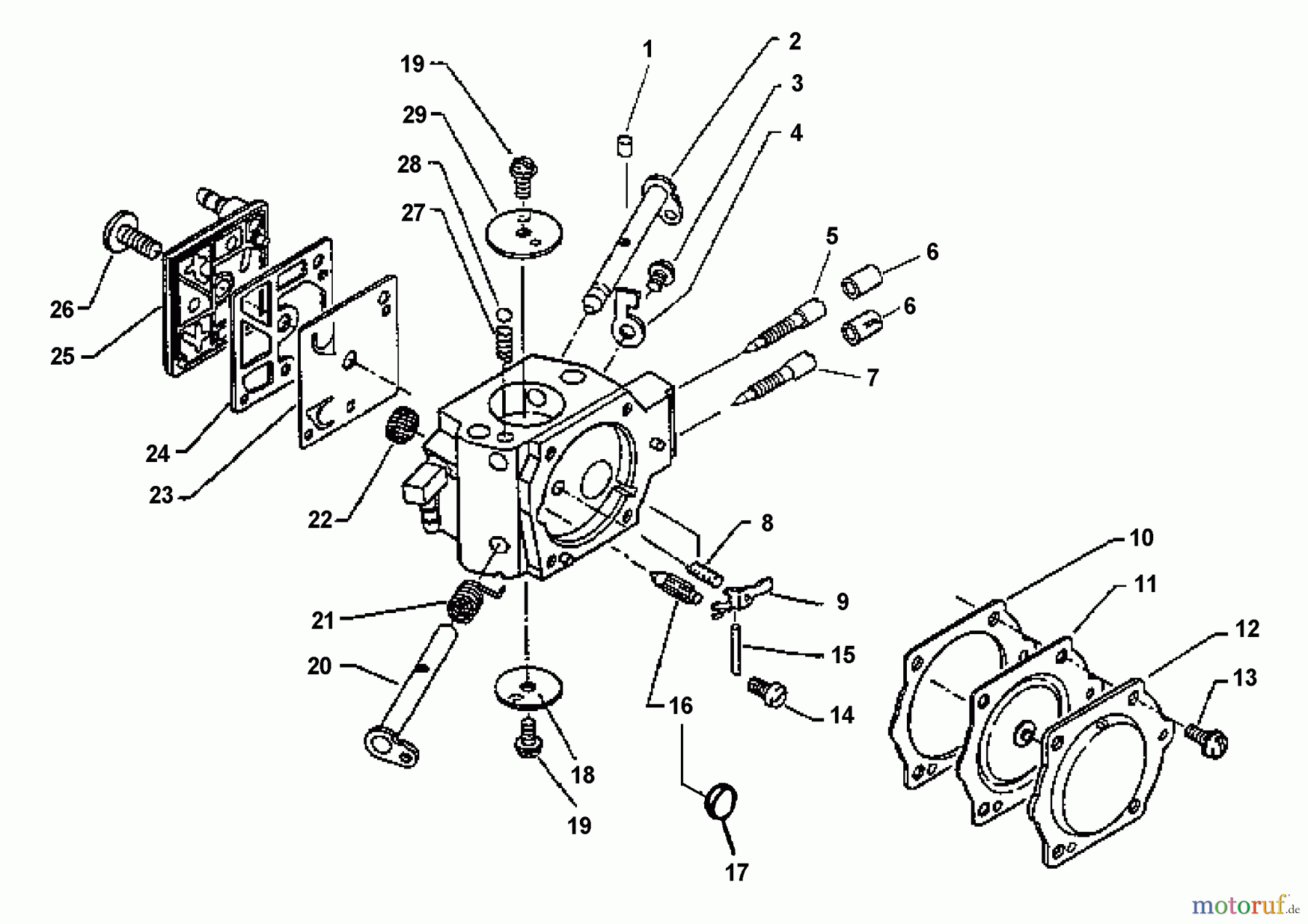
Hier finden Sie die Ersatzteilzeichnung für Echo Sägen, Kettensägen CS-6700 - Echo Chainsaw (Type 1E) Carburetor. Wählen Sie das benötigte Ersatzteil aus der Ersatzteilliste Ihres Echo Gerätes aus und bestellen Sie einfach online. Viele Echo Ersatzteile halten wir ständig in unserem Lager für Sie bereit.


Qualitätsmanagement
Informieren Sie uns, wenn Sie einen Fehler gefunden haben.

