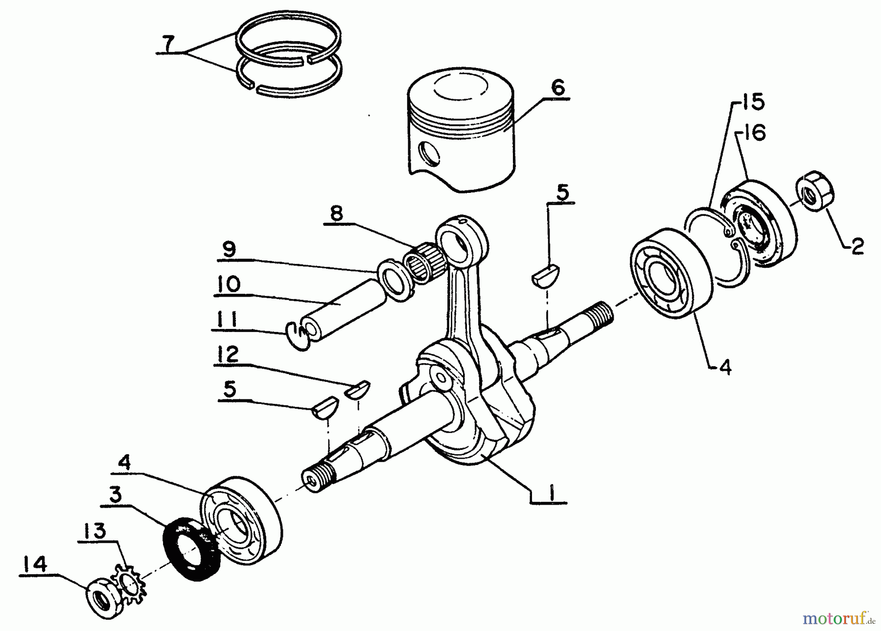
Echo CS-60S - Chainsaw, S/N: 0059501 - 999999 Crankshaft, Piston Ersatzteile
Crankshaft, Piston CS-60S - Echo Chainsaw, S/N: 0059501 - 999999

Hier finden Sie die Ersatzteilzeichnung für Echo Sägen, Kettensägen CS-60S - Echo Chainsaw, S/N: 0059501 - 999999 Crankshaft, Piston. Wählen Sie das benötigte Ersatzteil aus der Ersatzteilliste Ihres Echo Gerätes aus und bestellen Sie einfach online. Viele Echo Ersatzteile halten wir ständig in unserem Lager für Sie bereit.



