Echo CS-530 - Chainsaw, S/N: C02904001001 - C02904999999 Handles, Throttle Control Ersatzteile
Handles, Throttle Control CS-530 - Echo Chainsaw, S/N: C02904001001 - C02904999999

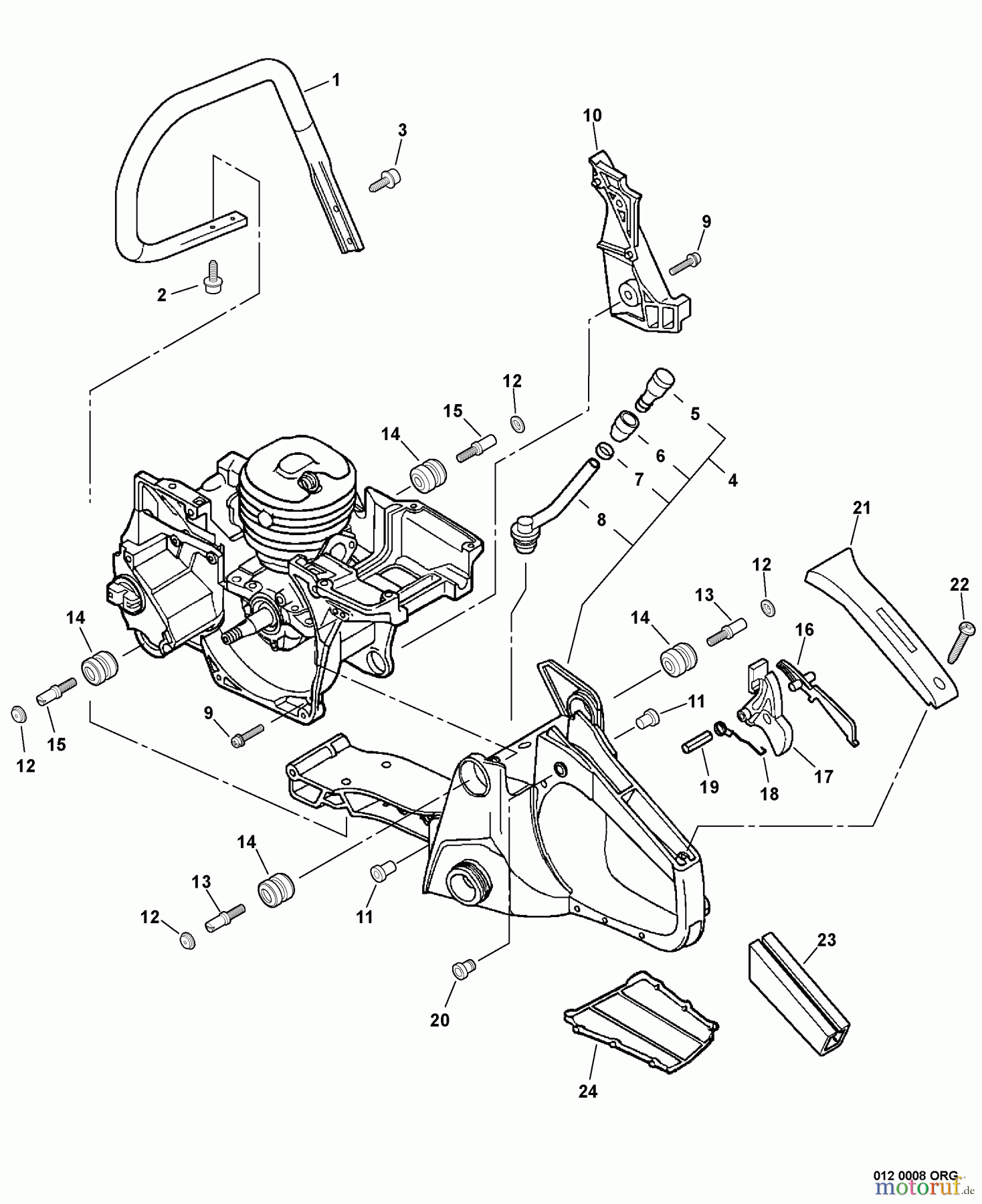
Hier finden Sie die Ersatzteilzeichnung für Echo Sägen, Kettensägen CS-530 - Echo Chainsaw, S/N: C02904001001 - C02904999999 Handles, Throttle Control. Wählen Sie das benötigte Ersatzteil aus der Ersatzteilliste Ihres Echo Gerätes aus und bestellen Sie einfach online. Viele Echo Ersatzteile halten wir ständig in unserem Lager für Sie bereit.


Qualitätsmanagement
Informieren Sie uns, wenn Sie einen Fehler gefunden haben.

