Echo CS-5000 - Chainsaw (Type 1E) Engine, Crankcase Ersatzteile
Engine, Crankcase CS-5000 - Echo Chainsaw (Type 1E)

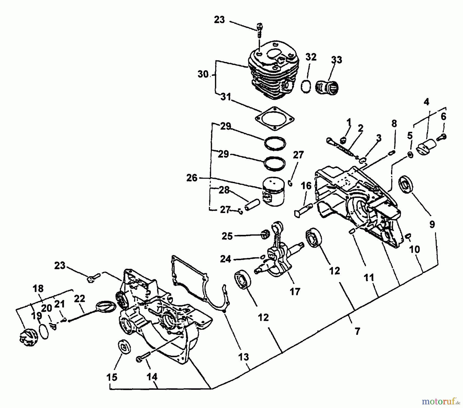
Hier finden Sie die Ersatzteilzeichnung für Echo Sägen, Kettensägen CS-5000 - Echo Chainsaw (Type 1E) Engine, Crankcase. Wählen Sie das benötigte Ersatzteil aus der Ersatzteilliste Ihres Echo Gerätes aus und bestellen Sie einfach online. Viele Echo Ersatzteile halten wir ständig in unserem Lager für Sie bereit.





