Echo CS-315 - Chainsaw, S/N: 058001 - 090010 Carburetor Ersatzteile
Carburetor CS-315 - Echo Chainsaw, S/N: 058001 - 090010

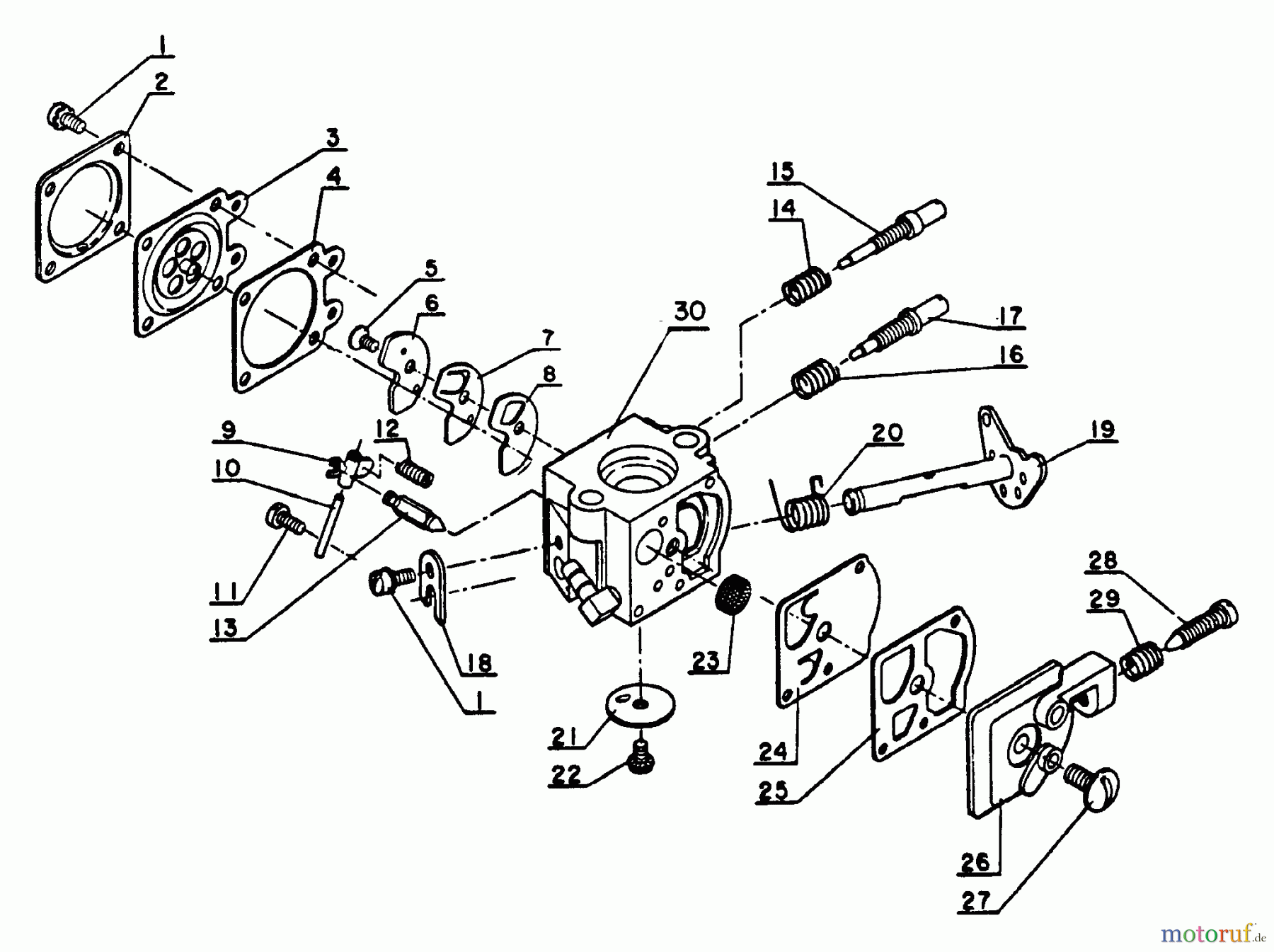
Hier finden Sie die Ersatzteilzeichnung für Echo Sägen, Kettensägen CS-315 - Echo Chainsaw, S/N: 058001 - 090010 Carburetor. Wählen Sie das benötigte Ersatzteil aus der Ersatzteilliste Ihres Echo Gerätes aus und bestellen Sie einfach online. Viele Echo Ersatzteile halten wir ständig in unserem Lager für Sie bereit.


Qualitätsmanagement
Informieren Sie uns, wenn Sie einen Fehler gefunden haben.



