Echo HPP-1890 - Pressure Washer, S/N: 2457 - 2912 (1992 Models) Rebuild Kits Ersatzteile
Rebuild Kits HPP-1890 - Echo Pressure Washer, S/N: 2457 - 2912 (1992 Models)

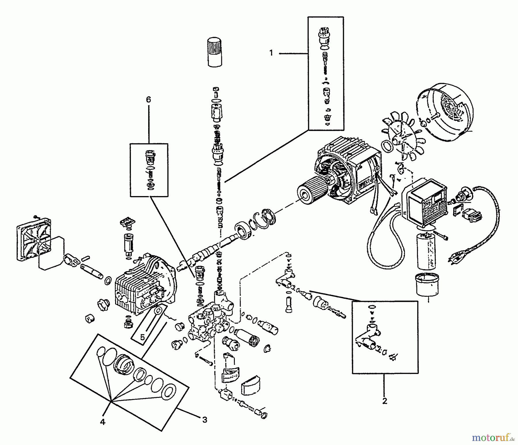
Hier finden Sie die Ersatzteilzeichnung für Echo Hochdruckreiniger HPP-1890 - Echo Pressure Washer, S/N: 2457 - 2912 (1992 Models) Rebuild Kits. Wählen Sie das benötigte Ersatzteil aus der Ersatzteilliste Ihres Echo Gerätes aus und bestellen Sie einfach online. Viele Echo Ersatzteile halten wir ständig in unserem Lager für Sie bereit.
| BildNr | Artikel Nummer | Bezeichnung | |
| 1 | 167334010201 | ||
| 2 | 167334009401 | ||
| 3 | 167334000104 | ||
| 4 | 1699999999999 | ||
| 5 | 167334008301 | ||
| 6 | 167334000102 | ||


Qualitätsmanagement
Informieren Sie uns, wenn Sie einen Fehler gefunden haben.

